GM Service Manual Online
For 1990-2009 cars only
Makes
🢒
Chevrolet
🢒
1998
🢒
Chevy P42 Commercial Chassis
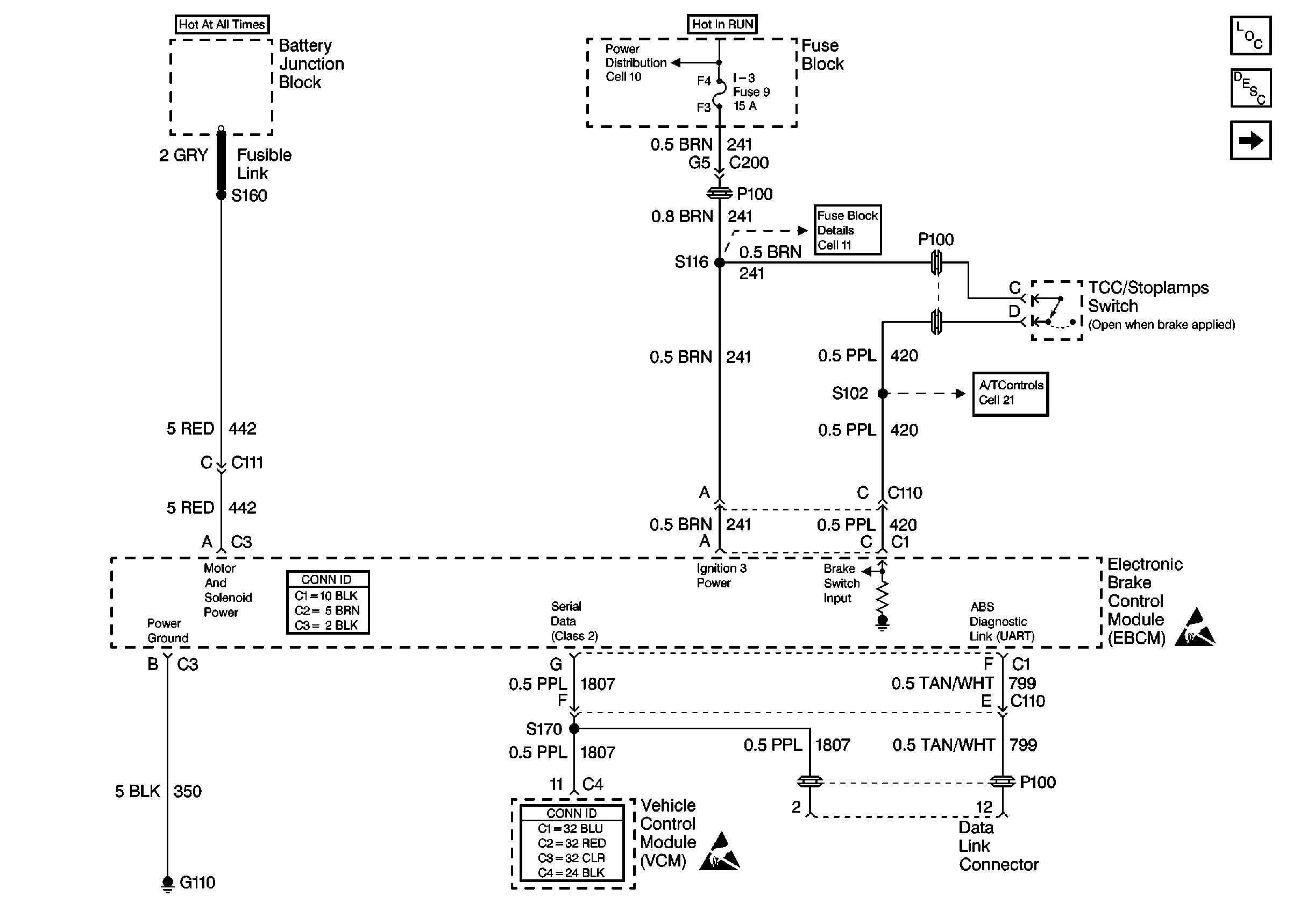
🢒 Cell 44: Gas, ABS Power and Grounding, DLC Output
Cell 44: Gas, ABS Power and Grounding, DLC Output
Cell 44: Gas, ABS Power and Grounding, DLC Output
ABS Components P32
ABS Description
Cell 44: Diesel, ABS Power and Grounding, DLC Output
Cell 10: Battery, Starter and Junction Block
Cell 10: Ignition Switch and Fuse Block
Cell 11: I-3, TURN BU and HTR fuses, PWR CKT BRKR 2 and AUX CKT BRKR13
Cell 21: A/T Controls 1 - Stoplamp/TCC Switch, Internal Solenoids
Handling ESD Sensitive Parts Notice
Handling ESD Sensitive Parts Notice