GM Service Manual Online
For 1990-2009 cars only
Makes
🢒
Chevrolet
🢒
1998
🢒
Chevy P42 Commercial Chassis
🢒 Starting System
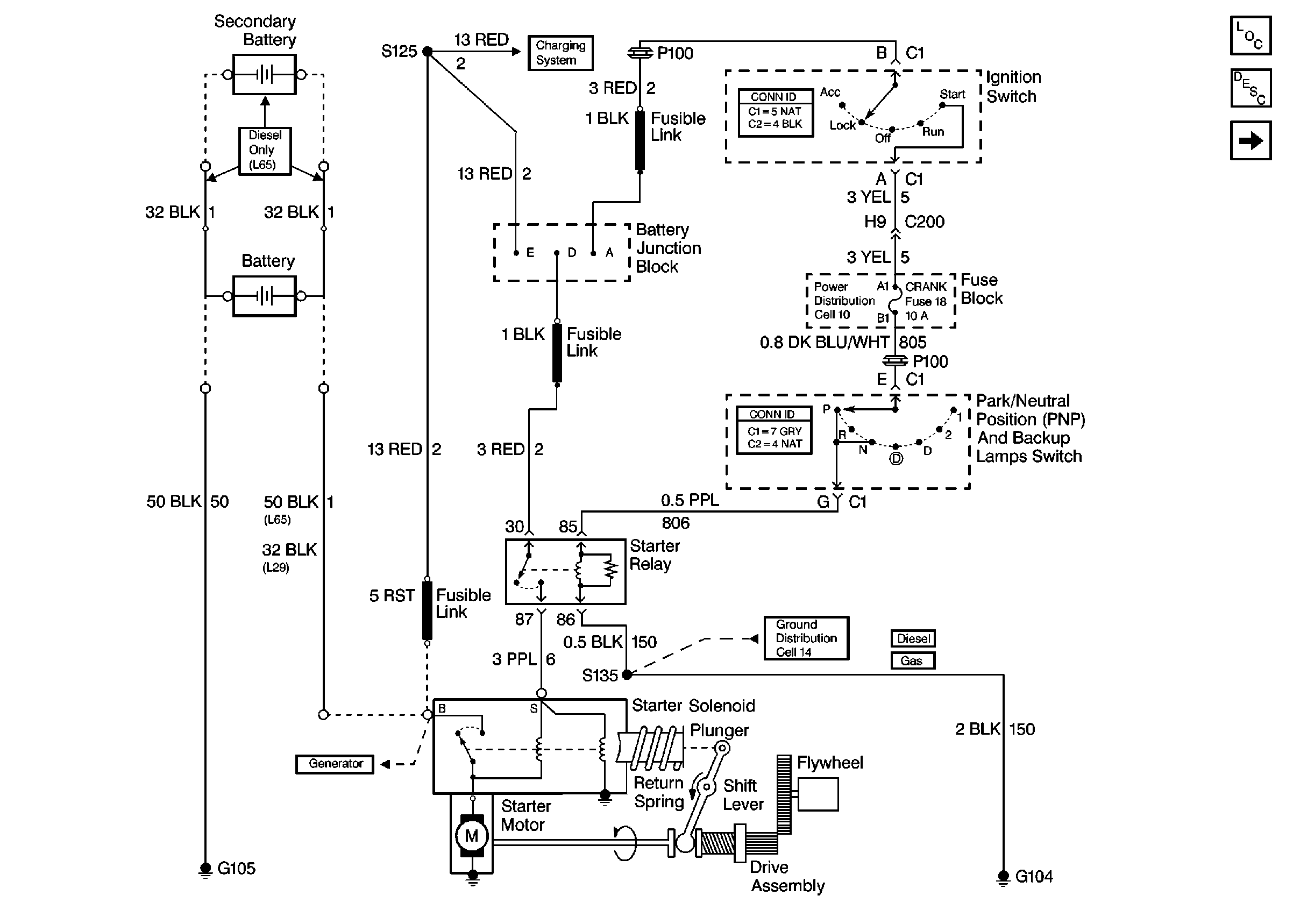
Starting System
Starting System
Engine Electrical Components P32
Starting System Circuit Description P32
Charging System
Charging System
Cell 10: Ignition Switch and Fuse Block
Cell 14: G104 [L65]
Cell 14: G104 [L29]
Charging System