GM Service Manual Online
For 1990-2009 cars only
Makes
🢒
Chevrolet
🢒
1998
🢒
Chevy P42 Commercial Chassis
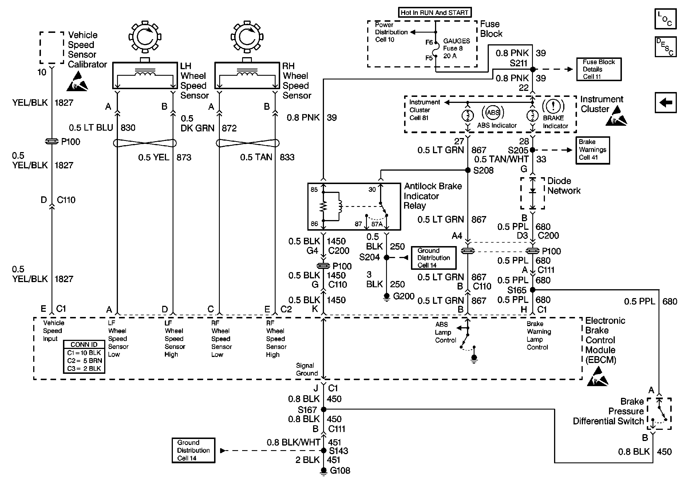
🢒 Cell 44: Export, ABS Inputs and Outputs
Cell 44: Export, ABS Inputs and Outputs
Cell 44: Export, ABS Inputs and Outputs
ABS Components P32
ABS Description
Cell 44: US/Canada, ABS Inputs and Outputs
Handling ESD Sensitive Parts Notice
Cell 10: Ignition Switch and Fuse Block
Cell 81: Indicators
Cell 11: GAUGES and TRANS fuses
Handling ESD Sensitive Parts Notice
Cell 41: Brake Warning System - Export
Handling ESD Sensitive Parts Notice
Cell 14: G200
Cell 14: G108 [L65]