GM Service Manual Online
For 1990-2009 cars only
Makes
🢒
Chevrolet
🢒
1998
🢒
Chevy P42 Commercial Chassis
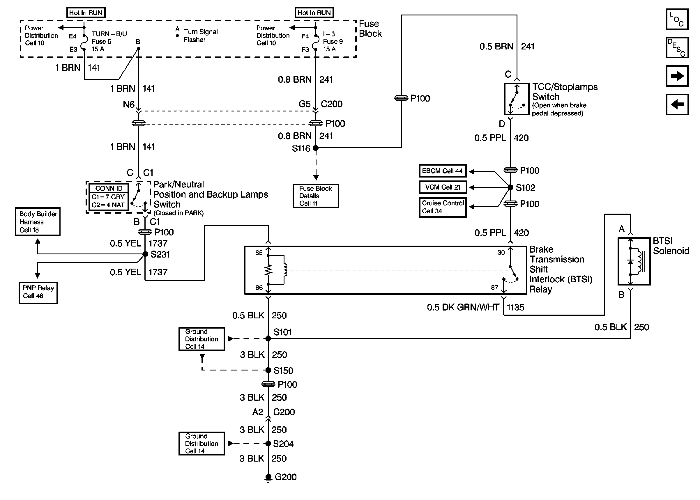
🢒 Cell 138: P32 BTSI Circuit
Cell 138: P32 BTSI Circuit
Cell 138: P32 BTSI Circuit
Tilt Wheel/Column Components P32
Cell 138: P32 BTSI Circuit
Cell 138: P42 BTSI Circuit
Antilock Brake System Schematics
Cruise Control Schematics
Fuse Block Schematics P32
Power Distribution Schematics P32
Power Distribution Schematics P32
Tilt Wheel/Column Connector End Views
Upfitter Provision Schematics P32
Park Brake System Schematics
Ground Distribution Schematics P32
Ground Distribution Schematics P32
Engine Controls Schematics