GM Service Manual Online
For 1990-2009 cars only
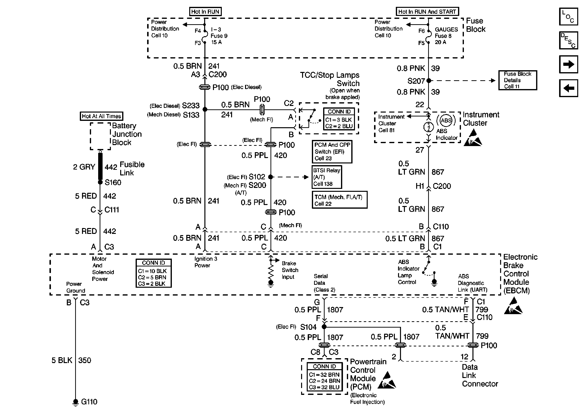
Figure 1:

Cell 44: P42 Gas, ABS Power and Grounding, DLC Output


Object Number: 501532  Size: FS
ABS Components
ABS Description
Cell 44: Diesel, ABS Power and Grounding, DLC Output
Cell 10: Battery, Starter and Junction Block
Cell 10: Ignition Switch and Fuse Block
Cell 11: I-3, TURN BU and HTR fuses, PWR CKT BRKR 2 and AUX CKT BRKR13
Cell 10: Ignition Switch and Fuse Block
Fuse Block Schematics P32
Handling ESD Sensitive Parts Notice
Instrument Cluster: Analog Schematics P32
Cell 20: A/T Controls 1 - TCC, Solenoids
Cell 21: A/T Controls - Solenoids and TCC Stoplamp Switch
Cell 138: P42 BTSI Circuit
Handling ESD Sensitive Parts Notice
Handling ESD Sensitive Parts Notice
Figure 2:

Cell 44: P42 Diesel, ABS Power and Grounding, DLC Output


Object Number: 501538  Size: FS
ABS Components
ABS Description
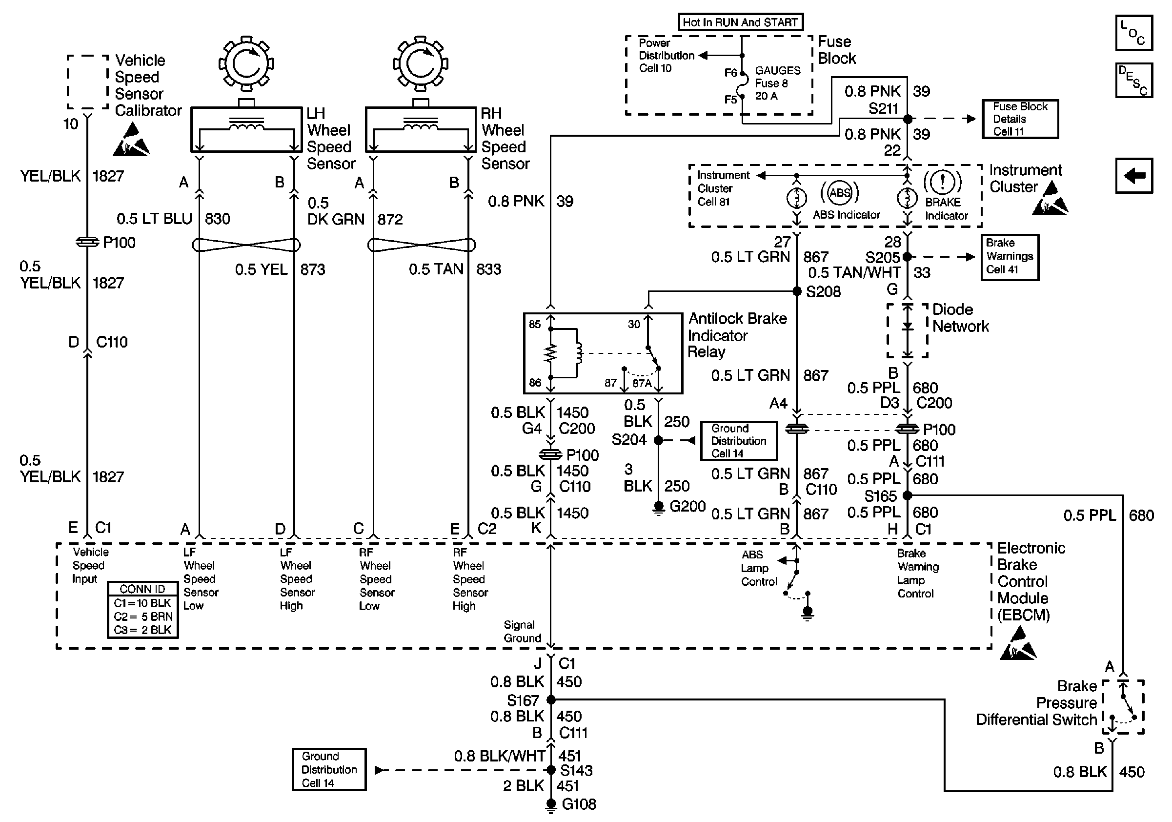
Cell 44: ABS Inputs and Outputs
Cell 44: Gas, ABS Power and Grounding, DLC Output
Cell 10: Battery, Starter and Junction Block
Cell 10: Ignition Switch and Fuse Block
Cell 10: Ignition Switch and Fuse Block
Fuse Block Schematics P32
Handling ESD Sensitive Parts Notice
Instrument Cluster: Analog Schematics P32
Cell 23: A/T Controls 1 - Stoplamp/TCC Switch, Internal Solenoids
Cell 138: P42 BTSI Circuit
Cell 22:A/T Controls 3 - Internal Solenoids and Stoplamp Switch
Handling ESD Sensitive Parts Notice
Handling ESD Sensitive Parts Notice
Figure 3:

Cell 44: P42 ABS Inputs and Outputs


Object Number: 501540  Size: FS
ABS Components
ABS Description
Cell 44: Diesel, ABS Power and Grounding, DLC Output
Cell 10: Ignition Switch and Fuse Block
Fuse Block Schematics P32
Handling ESD Sensitive Parts Notice
Instrument Cluster: Analog Schematics P32
Cell 41: Brake Warning System - US
Cell 41: Brake Warning System - Canada
Handling ESD Sensitive Parts Notice
Ground Distribution Schematics P32
Figure 4:

Cell 44: P32 Gas, ABS Power and Grounding, DLC Output


Object Number: 501516  Size: FS
ABS Components
ABS Description
Cell 44: Diesel, ABS Power and Grounding, DLC Output
Cell 10: Battery, Starter and Junction Block
Cell 10: Ignition Switch and Fuse Block
Cell 11: I-3, TURN BU and HTR fuses, PWR CKT BRKR 2 and AUX CKT BRKR13
Engine Controls Schematics
Handling ESD Sensitive Parts Notice
Handling ESD Sensitive Parts Notice
Figure 5:

Cell 44: P32 Diesel, ABS Power and Grounding, DLC Output


Object Number: 501521  Size: FS
ABS Components
ABS Description
Cell 44: US/Canada, ABS Inputs and Outputs
Cell 44: Gas, ABS Power and Grounding, DLC Output
Cell 10: Battery, Starter and Junction Block
Cell 10: Ignition Switch and Fuse Block
Cell 11: I-3, TURN BU and HTR fuses, PWR CKT BRKR 2 and AUX CKT BRKR13
Cell 22:A/T Controls 3 - Internal Solenoids and Stoplamp Switch
Handling ESD Sensitive Parts Notice
Handling ESD Sensitive Parts Notice
Figure 6:

Cell 44: P32 US/Canada, ABS Inputs and Outputs


Object Number: 501525  Size: FS
ABS Components
ABS Description
Cell 44: Export, ABS Inputs and Outputs
Cell 44: Diesel, ABS Power and Grounding, DLC Output
Handling ESD Sensitive Parts Notice
Handling ESD Sensitive Parts Notice
Cell 10: Ignition Switch and Fuse Block
Instrument Cluster: Analog Schematics P32
Cell 11: GAUGES and TRANS fuses
Handling ESD Sensitive Parts Notice
Cell 41: Brake Warning System - US
Cell 41: Brake Warning System - Canada
Handling ESD Sensitive Parts Notice
Cell 14: G108 [L29]
Cell 14: G108 [L65]
Figure 7:

Cell 44: P32 Export, ABS Inputs and Outputs


Object Number: 501528  Size: FS
ABS Components
ABS Description
Cell 44: US/Canada, ABS Inputs and Outputs
Handling ESD Sensitive Parts Notice
Cell 10: Ignition Switch and Fuse Block
Instrument Cluster: Analog Schematics P32
Cell 11: GAUGES and TRANS fuses
Handling ESD Sensitive Parts Notice
Cell 41: Brake Warning System - Export
Handling ESD Sensitive Parts Notice
Cell 14: G200
Cell 14: G108 [L65]