GM Service Manual Online
For 1990-2009 cars only
Makes
🢒
Chevrolet
🢒
1998
🢒
Chevy P42 Commercial Chassis
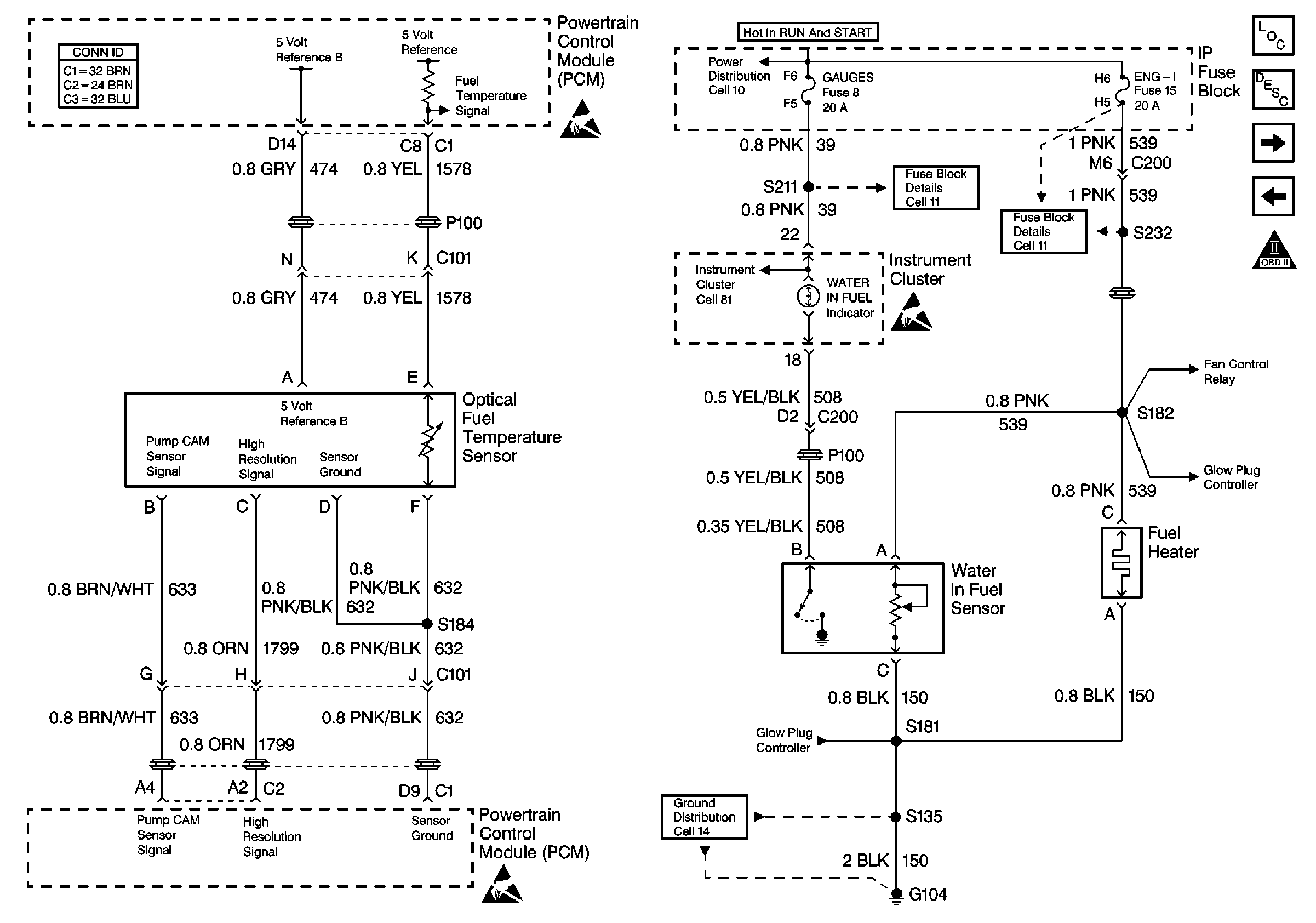
🢒 Cell 22: Water in Fuel Circuit, Fuel Heater and Temperature Sensor
Cell 22: Water in Fuel Circuit, Fuel Heater and Temperature Sensor
Cell 22: Water in Fuel Circuit, Fuel Heater and Temperature Sensor
Engine Controls Components
Information Sensors/Switches Description
Cell 22: Engine Shutoff Solenoid, Fuel Solenoid Driver
Cell 22: Fuel Pump Controls
OBD II Symbol Description Notice
P32 Cell 81(1)
Cell 10: Ignition Switch and Fuse Block
Handling ESD Sensitive Parts Notice
Cell 11: GAUGES and TRANS fuses
Cell 11: ECM-I fuse [L65]
Cell 22: Engine Data Sensors and Wastegate Solenoid
Cell 22: Glowplug Controls 2 - Federal Emissions
Cell 22: Glowplug Controls 2 - Federal Emissions
Cell 14: G104 [L65]
Handling ESD Sensitive Parts Notice