GM Service Manual Online
For 1990-2009 cars only
Makes
🢒
Chevrolet
🢒
1998
🢒
Chevy P42 Commercial Chassis
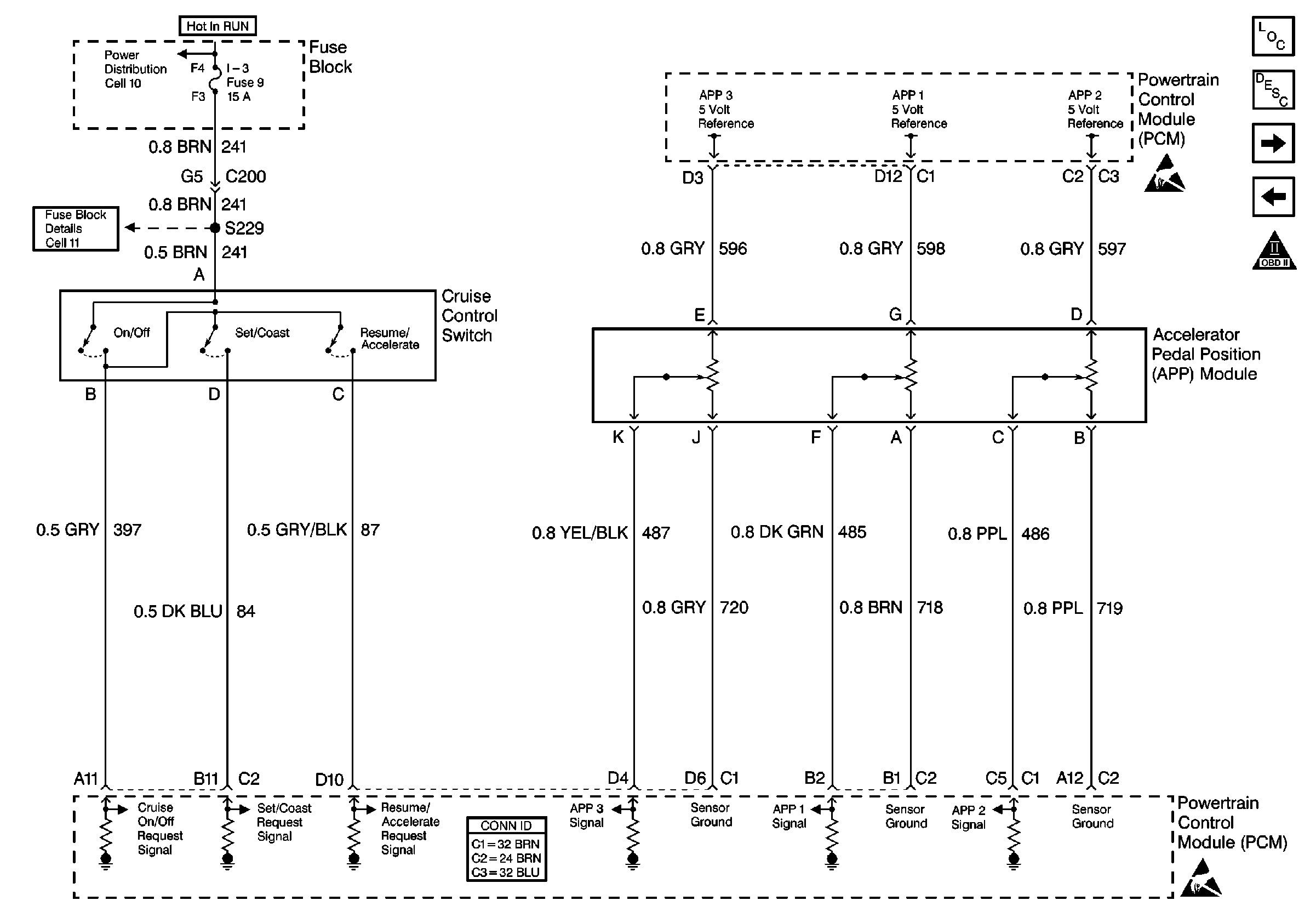
🢒 Cell 22: Accelerator Pedal Position Sensor, Cruise Switch Inputs
Cell 22: Accelerator Pedal Position Sensor, Cruise Switch Inputs
Cell 22: Accelerator Pedal Position Sensor, Cruise Switch Inputs
Engine Controls Components
Information Sensors/Switches Description
Cell 22: A/T Controls 1 - Internal Solenoids, Brake Switches
Cell 22: VSS Circuit
OBD II Symbol Description Notice
Cell 10: Ignition Switch and Fuse Block
Handling ESD Sensitive Parts Notice
Handling ESD Sensitive Parts Notice