GM Service Manual Online
For 1990-2009 cars only
Makes
🢒
Chevrolet
🢒
1998
🢒
Chevy P42 Commercial Chassis
🢒 Cell 22: A/T Controls 1 - Internal Solenoids, Brake Switches
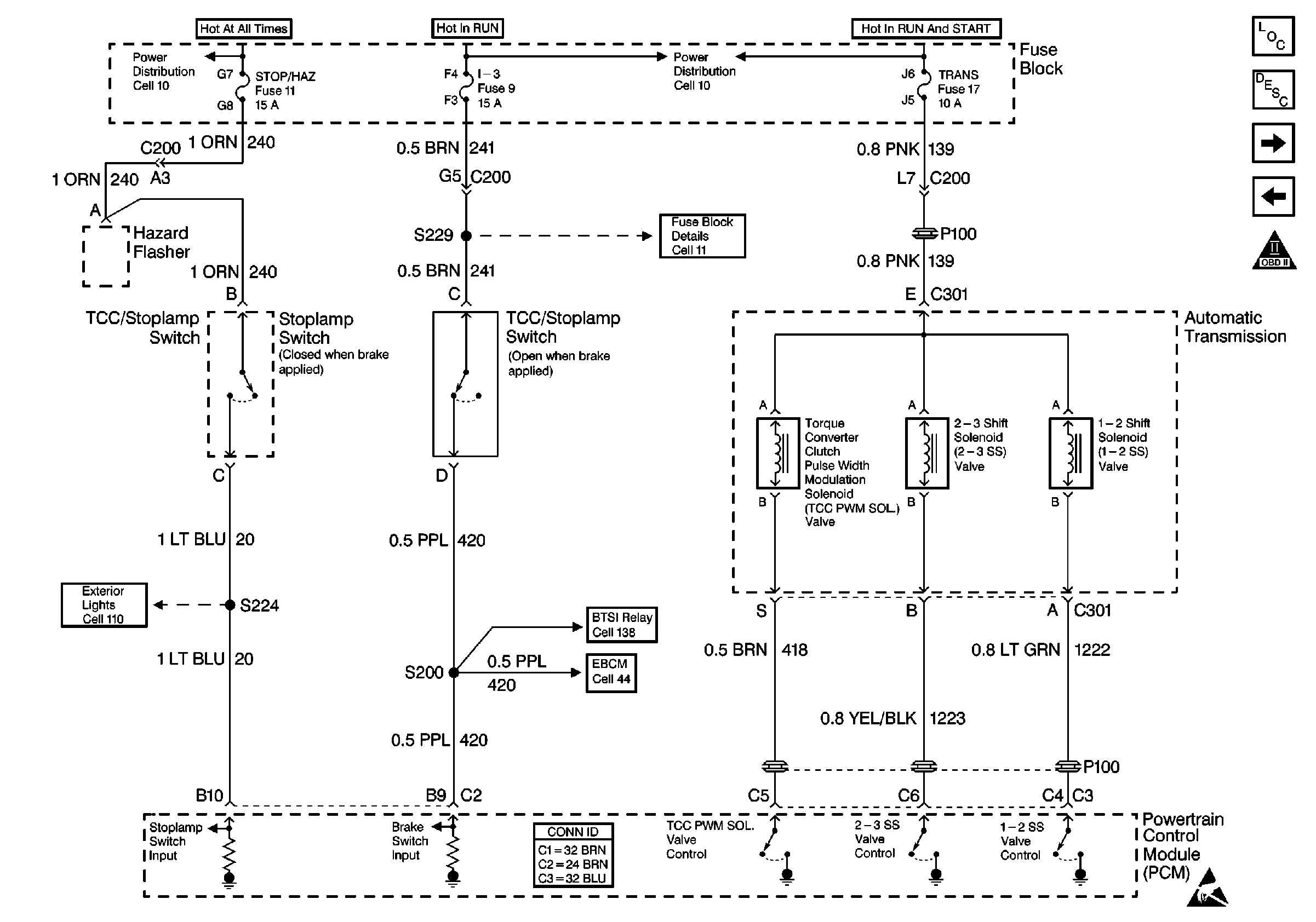
Cell 22: A/T Controls 1 - Internal Solenoids, Brake Switches
Cell 22: A/T Controls 1 -- Internal Solenoids, Brake Switches
Engine Controls Components
Electronic Component Description
Cell 22: A/T Controls 2 - TR Circuits, TFT, PC Sol. Valve, TISS
Cell 22: Accelerator Pedal Position Sensor, Cruise Switch Inputs
OBD II Symbol Description Notice
Cell 10: Fuse Block
Cell 10: Ignition Switch and Fuse Block
Cell 11: I-3, TURN-B/U, and HTR fuses, AUX CKT BRKR 13
Cell 10: Ignition Switch and Fuse Block
Handling ESD Sensitive Parts Notice
Cell 138: P42 BTSI Circuit
Cell 44: Diesel, ABS Power and Grounding, DLC Output
Cell 110: Turn Signal Switch