GM Service Manual Online
For 1990-2009 cars only
Makes
🢒
Chevrolet
🢒
1999
🢒
Chevy P42 Commercial Chassis
🢒 Cell 21: EVAP and EGR Controls
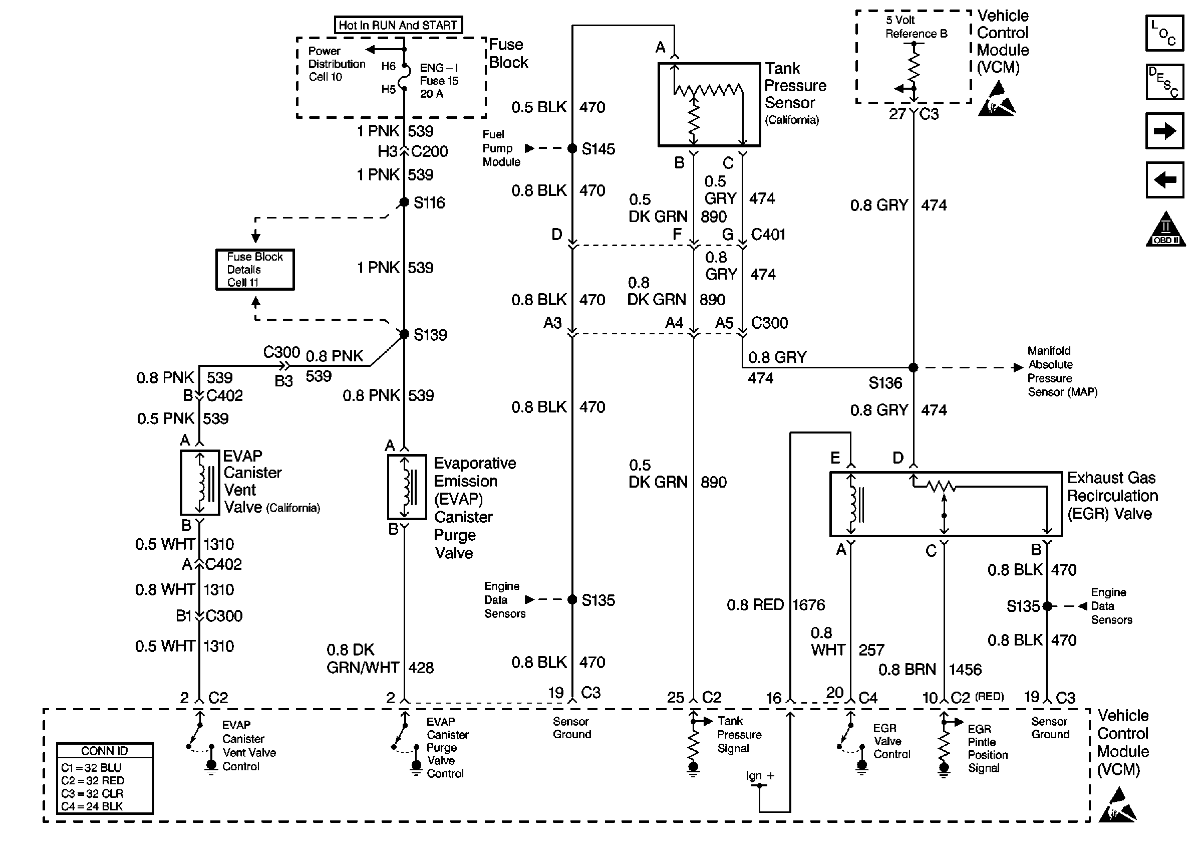
Cell 21: EVAP and EGR Controls
Cell 21: EVAP and EGR Controls
Engine Controls Components
Evaporative Emission Control System Operation Description Enhanced
Cell 21: Stoplamp and Clutch Pedal Position Switch Inputs
Cell 21: Engine Data Sensors - MAF, IAC, VSS
OBD II Symbol Description Notice
Cell 11: Engine Control Sensors
Cell 10: Ignition Switch and Fuse Block
Cell 21: Fuel Controls - Pump Control
Handling ESD Sensitive Parts Notice
Cell 21: Engine Data Sensors - MAP, IAT, TP ECT
Cell 21: Engine Data Sensors - MAP, IAT, TP ECT