GM Service Manual Online
For 1990-2009 cars only
Makes
🢒
Chevrolet
🢒
1999
🢒
Chevy P42 Commercial Chassis
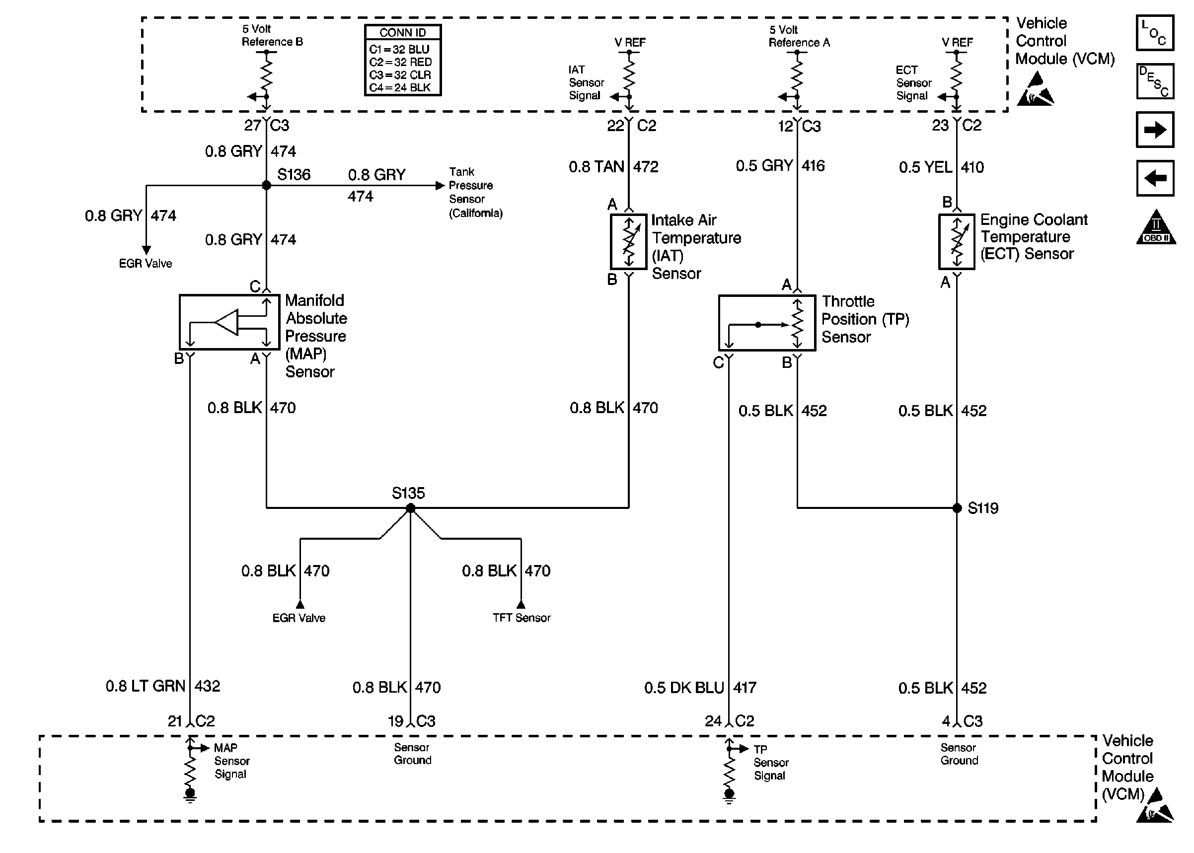
🢒 Cell 20: Engine Data Sensors - MAP, IAT, TP, ECT
Cell 20: Engine Data Sensors - MAP, IAT, TP, ECT
Cell 20: Engine Data Sensors -- MAP, IAT, TP, ECT
Engine Controls Components
Information Sensors/Switches Description
Cell 20: Engine Data Sensors - HO2S
Cell 20: Fuel Controls - Injector Controls
OBD II Symbol Description Notice
Cell 20: EVAP, EGR, and Tank Pressure Sensor
Cell 20: EVAP, EGR, and Tank Pressure Sensor
Cell 20: EVAP, EGR, and Tank Pressure Sensor
Cell 20: A/T Controls 2 - Internal Switches, Input Shaft Speed
Handling ESD Sensitive Parts Notice
Handling ESD Sensitive Parts Notice