GM Service Manual Online
For 1990-2009 cars only
Makes
🢒
Chevrolet
🢒
1999
🢒
Chevy P42 Commercial Chassis
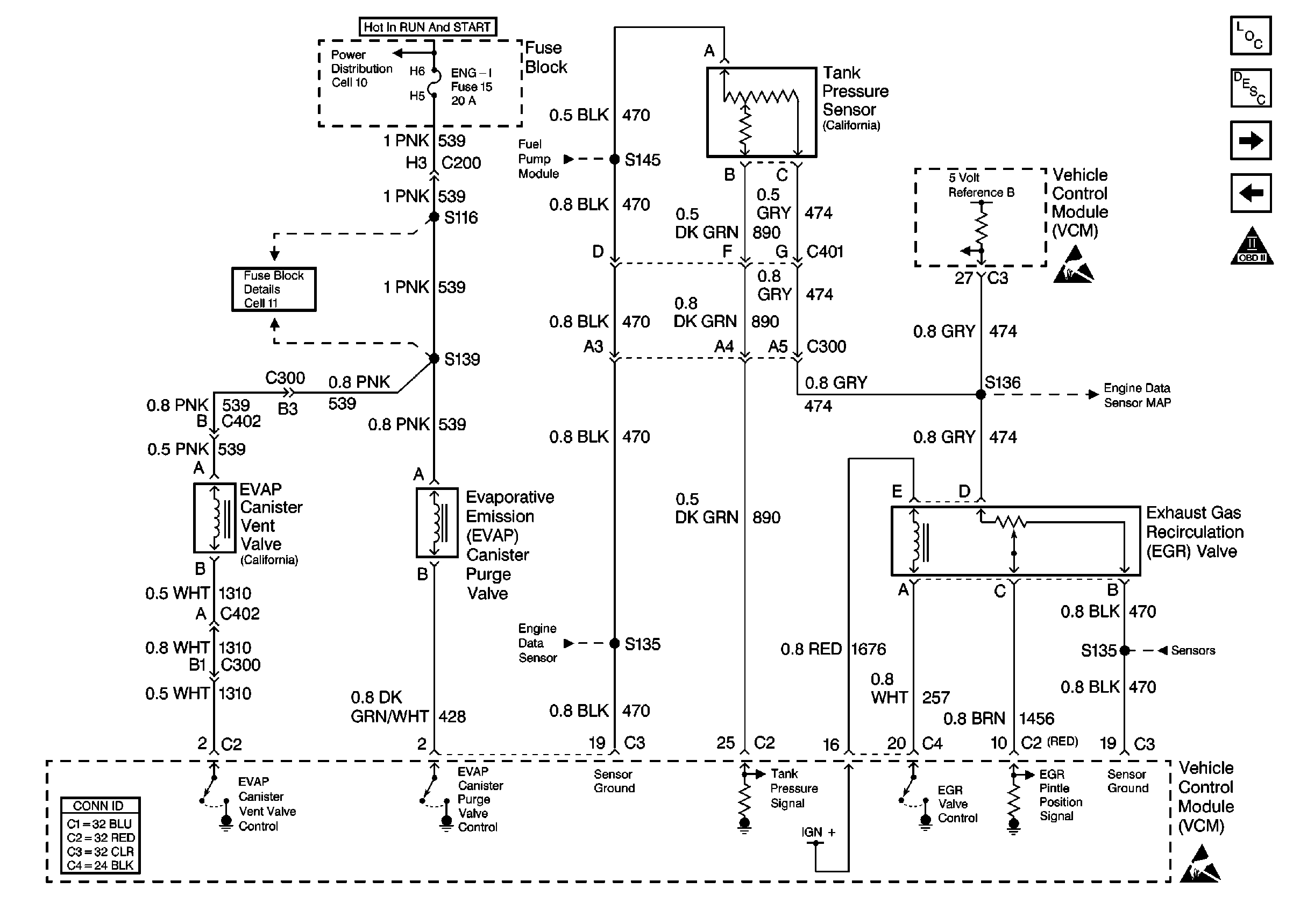
🢒 Cell 20: EVAP, EGR, and Tank Pressure Sensor
Cell 20: EVAP, EGR, and Tank Pressure Sensor
Cell 20: EVAP, EGR, and Tank Pressure Sensor
Engine Controls Components
Exhaust Gas Recirculation (EGR) System Description
Cell 20: A/T Controls 1 - TCC, Solenoids
Cell 20: Engine Data Sensors - MAF, IAC, VSS
OBD II Symbol Description Notice
Cell 11: Engine Control Sensors
Cell 10: Ignition Switch and Fuse Block
Cell 20: Fuel Controls - Fuel Pump
Handling ESD Sensitive Parts Notice
Cell 20: Engine Data Sensors - MAP, IAT, TP, ECT
Handling ESD Sensitive Parts Notice