GM Service Manual Online
For 1990-2009 cars only
Makes
🢒
Chevrolet
🢒
1999
🢒
Chevy P42 Commercial Chassis
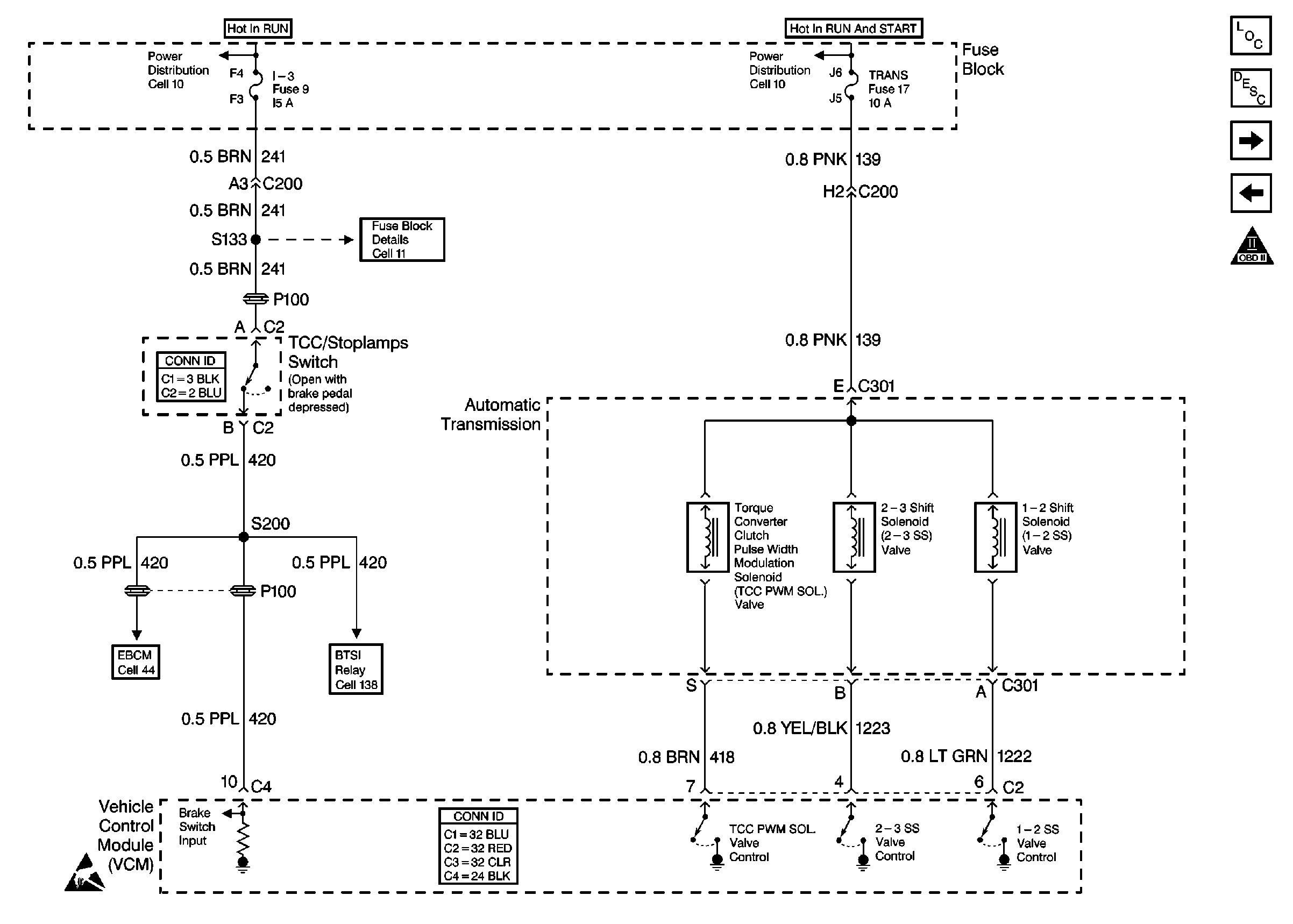
🢒 Cell 20: A/T Controls 1 - TCC, Solenoids
Cell 20: A/T Controls 1 - TCC, Solenoids
Cell 20: A/T Controls 1 -- TCC, Solenoids
Engine Controls Components
Electronic Component Description
Cell 20: A/T Controls 2 - Internal Switches, Input Shaft Speed
Cell 20: EVAP, EGR, and Tank Pressure Sensor
OBD II Symbol Description Notice
Cell 10: Ignition Switch and Fuse Block
Cell 10: Ignition Switch and Fuse Block
Handling ESD Sensitive Parts Notice
Cell 44: Gas, ABS Power and Grounding, DLC Output
Cell 138: P42 BTSI Circuit
Cell 11: I-3, TURN-B/U, and HTR fuses, AUX CKT BRKR 13