GM Service Manual Online
For 1990-2009 cars only
Makes
🢒
Chevrolet
🢒
1997
🢒
Chevy Suburban - 2WD
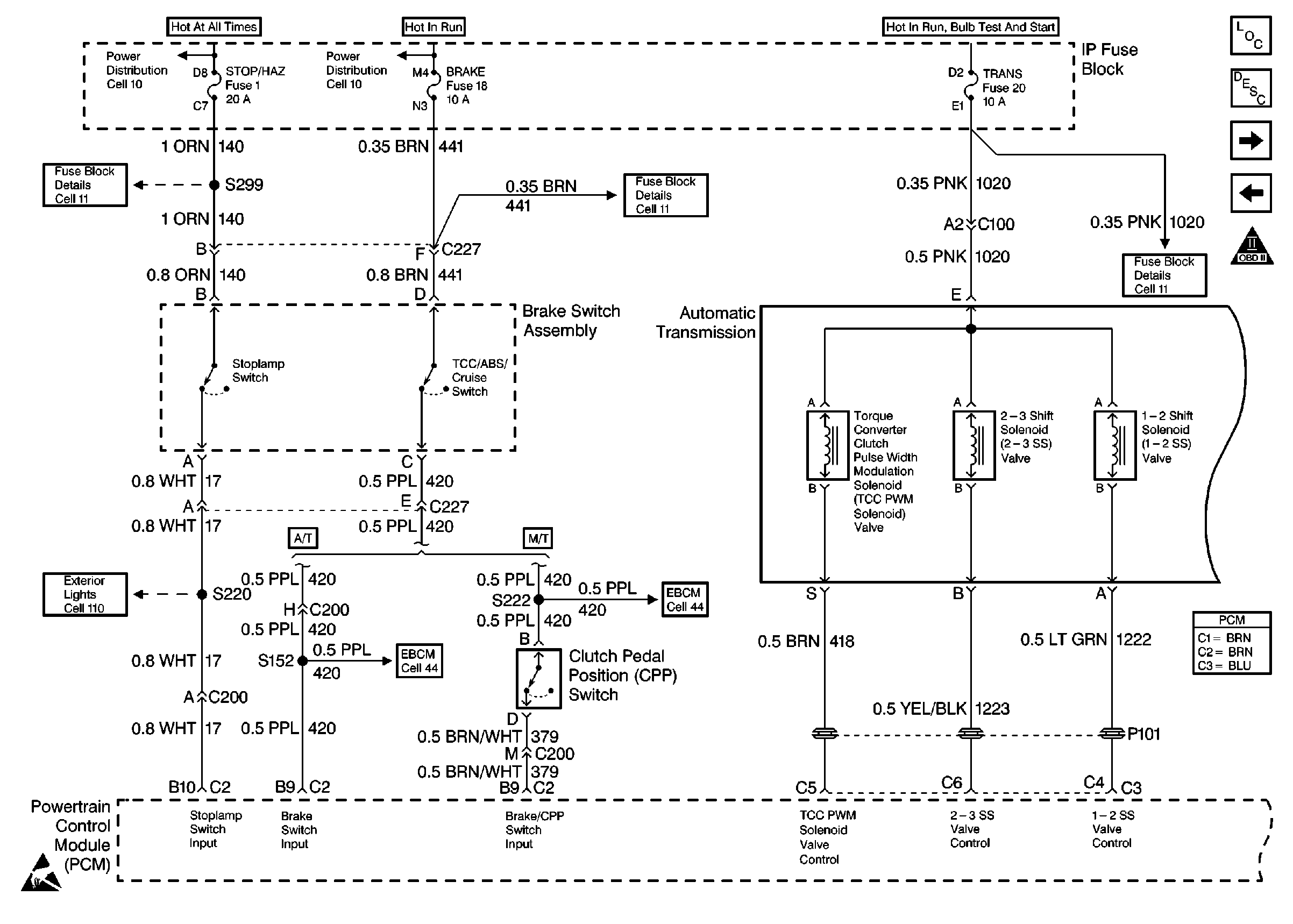
🢒 DIESEL PCM, AUTOMATIC TRANSMISSION
DIESEL PCM, AUTOMATIC TRANSMISSION
DIESEL PCM, AUTOMATIC TRANSMISSION
Engine Controls Components
DIESEL PCM, AUTOMATIC TRANSMISSION SOLENOIDS
DIESEL PCM, VSS, EBCM
OBD II Symbol Description Notice
Engine Controls Schematic References
Engine Controls Schematic References
Engine Controls Schematic References
Engine Controls Schematic References
Engine Controls Schematic References
Engine Controls Schematic References
Handling Electrostatic Discharge Sensitive Parts Notice
Engine Controls Schematic References
Engine Controls Schematic References