GM Service Manual Online
For 1990-2009 cars only
Makes
🢒
Chevrolet
🢒
1997
🢒
Chevy Suburban - 2WD
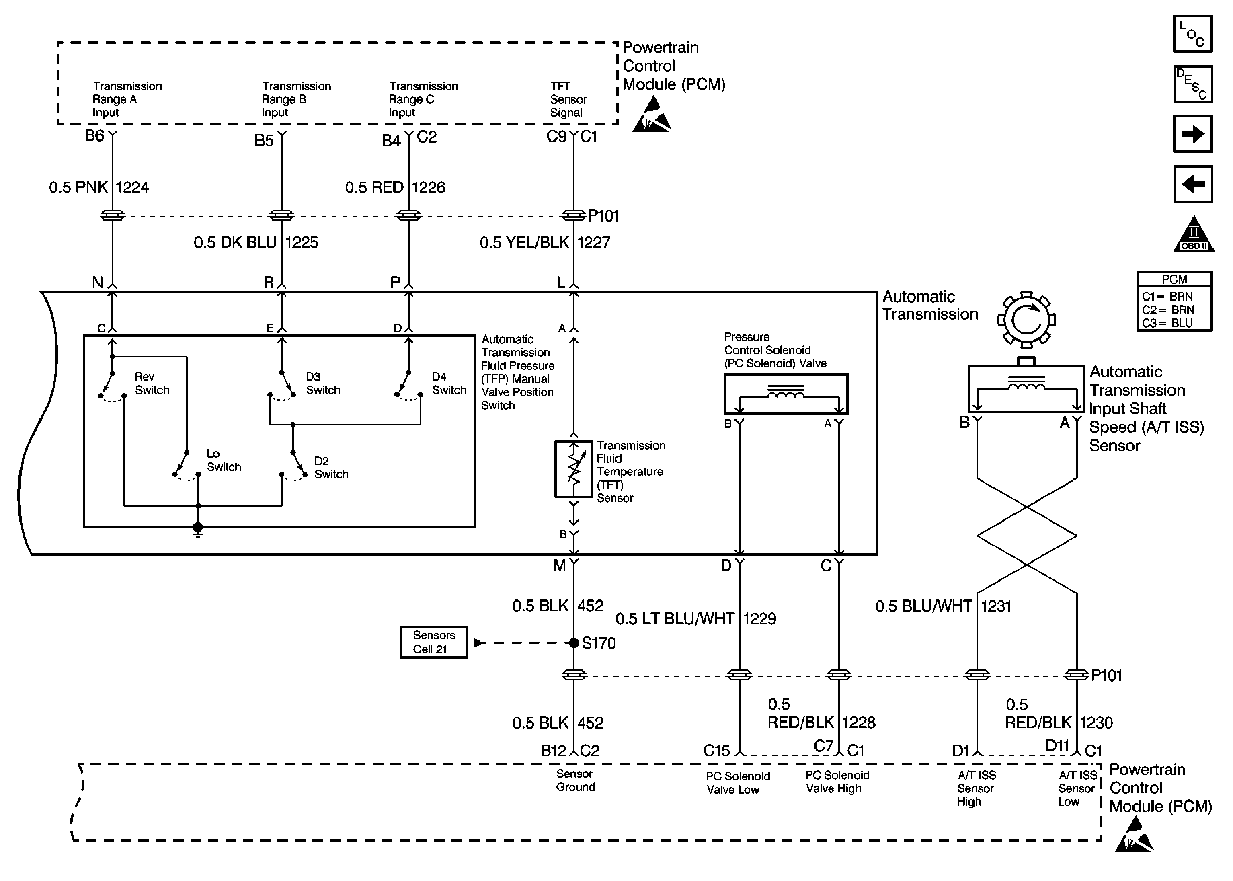
🢒 DIESEL PCM, AUTOMATIC TRANSMISSION SOLENOIDS
DIESEL PCM, AUTOMATIC TRANSMISSION SOLENOIDS
DIESEL PCM, AUTOMATIC TRANSMISSION SOLENOIDS
Engine Controls Components
DIESEL PCM, A/C SYSTEM
DIESEL PCM, AUTOMATIC TRANSMISSION
OBD II Symbol Description Notice
DIESEL PCM, EGR, SENSORS
Handling Electrostatic Discharge Sensitive Parts Notice
Handling Electrostatic Discharge Sensitive Parts Notice