GM Service Manual Online
For 1990-2009 cars only

Refer to

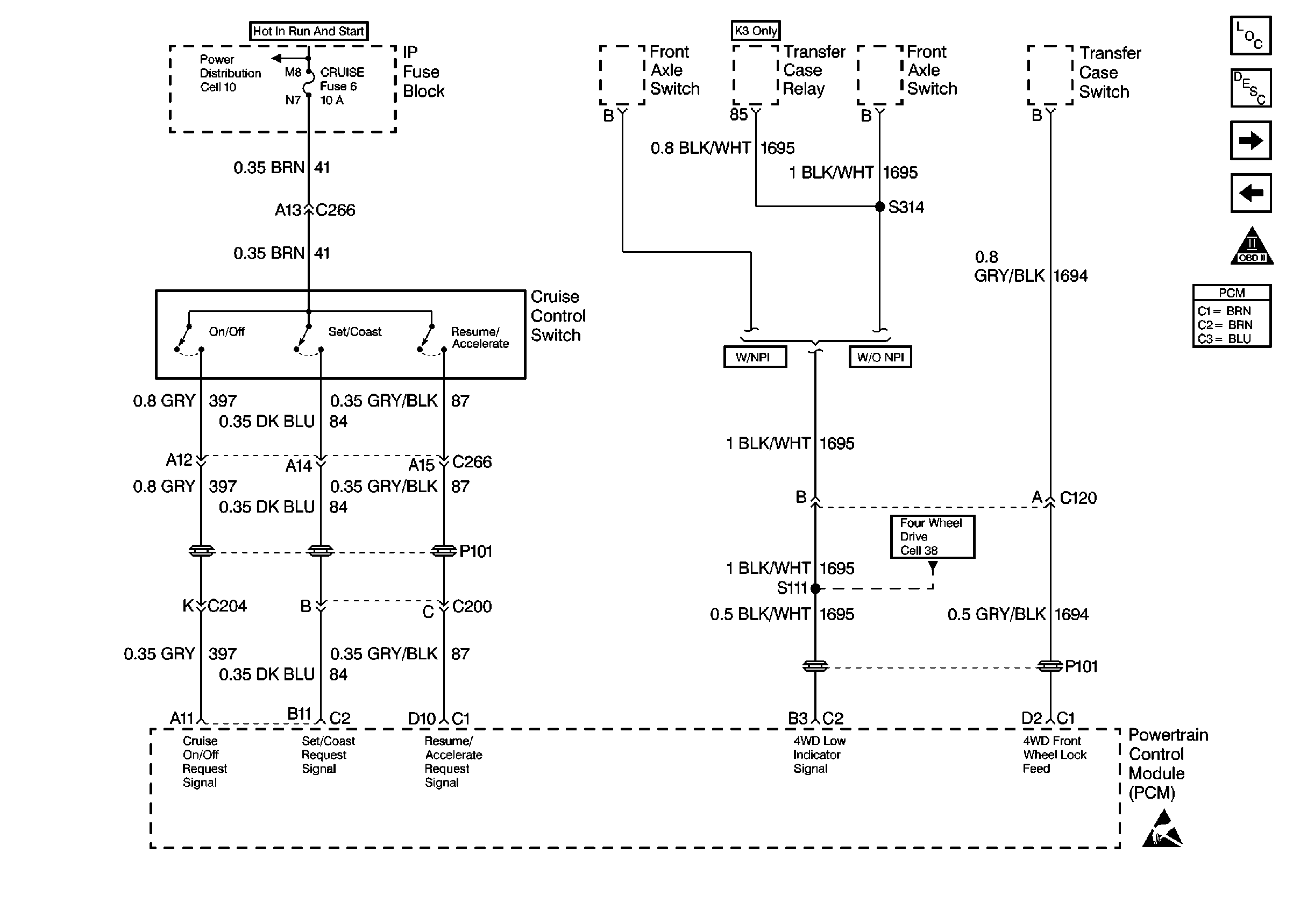
DIESEL PCM, CRUISE CONTROL, TRANSFER CASE


Object Number: 52768  Size: FS
Engine Controls Components
DIESEL PCM, VSS, EBCM
DIESEL PCM, MAF, EGR, APP, WASTEGATE
OBD II Symbol Description Notice
Engine Controls Schematic References
Handling Electrostatic Discharge Sensitive Parts Notice
Engine Controls Schematic References

Circuit Description

The cruise Set/Coast switch is an input to the fuel control portion of the PCM. These inputs allow the PCM to control and hold a requested speed. Cruise Set/Coast switch sends a ignition voltage signal to the PCM when the Set/Coast switch is ON. This is a type D DTC.

Conditions for Setting the DTC

    • Cruise switch OFF.
    • Ignition voltage on Resume switch signal circuit.

or

    • Cruise switch ON.
    • Resume switch ON for longer than 25.5 seconds.

Action Taken When the DTC Sets

    • The PCM will disallow all cruise inputs.
    • TCC shift schedules may be affected.

Conditions for Clearing the MIL/DTC

    • A History DTC will clear when forty consecutive warm-up cycles that the diagnostic does not fail (coolant temperature has risen 5°C (40°F) from start up coolant temperature and engine coolant temperature exceeds 71°C (160°F) that same ignition cycle.
    • Use of a Scan tool

Diagnostic Aids

If the Set/Coast switch is stuck in the ON position or the driver is holding the Set/Coast switch ON for longer than 25.5 seconds, DTC P0568 will set. DTC P0568 only checks the signal circuit for a short to voltage.

Test Description

Number(s) below refer to the step number(s) on the Diagnostic Table.

  1. This step determines if the signal circuit is shorted to voltage.

  2. This step determines if the PCM or switch is at fault.

Step

Action

Value(s)

Yes

No

1

Important: Before clearing DTCs use the scan tool Capture Info to record freeze frame and failure records for reference, as data will be lost when Clear Info function is used.

Was the Powertrain On-Board Diagnostic (OBD) System Check performed?

--

Go to Step 2

Go to Powertrain On Board Diagnostic (OBD) System Check

2

  1. Scan tool connected.
  2. Ignition ON, engine OFF.
  3. Cruise switch OFF.

Does scan tool display Set switch ON?

--

Go to Step 3

Go to Step 4

3

  1. Ignition ON.
  2. Disconnect the PCM connector containing the Set switch signal circuit.
  3. Probe the Set switch signal circuit at the PCM harness with a test light connected to chassis ground.

Is the test light ON?

--

Go to Step 5

Go to Step 7

4

DTC is intermittent. If no additional DTCs are stored, refer to Diagnostic Aids. If additional DTCs were stored refer to the applicable DTC table(s) first.

Are any additional DTCs stored?

--

Go to the Applicable DTC Table

Go to Diagnostic Aids

5

  1. Set switch signal circuit is shorted to voltage or stuck in the ON position.
  2. Repair as necessary.

Is the action complete?

--

Go to Step 8

--

6

Replace the PCM.

Important: The new PCM must be programmed. Refer to Powertrain Control Module Replacement/Programming .

Is the action complete?

--

Go to Step 7

--

7

  1. Using the Scan Tool, select DTC, Clear Info.
  2. Start engine and idle at normal operating temperature.
  3. Select DTC, Specific, then enter the DTC number which was set.
  4. Operate the vehicle until the Scan Tool indicates that the diagnostic Ran.

Does the Scan Tool indicate that this diagnostic Passed?

--

Go to Step 8

Go to Step 2

8

Using the Scan Tool, select Capture Info, Review Info.

Are any DTCs displayed that have not been diagnosed?

--

Go to the Applicable DTC Table

System OK