GM Service Manual Online
For 1990-2009 cars only

Refer to

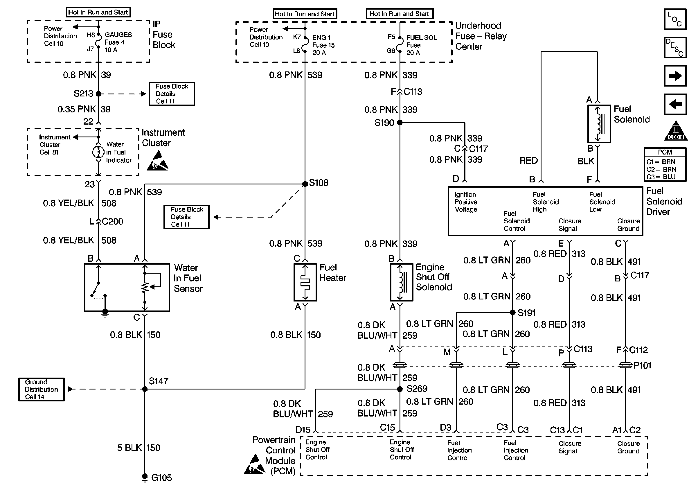
DIESEL PCM, FUEL SOLENOID, WATER IN FUEL


Object Number: 52756  Size: FS
Engine Controls Components
DIESEL PCM, CKP, FUEL TEMP, ITS
DIESEL FUEL PUMP, LIFT PUMP
OBD II Symbol Description Notice
Engine Controls Schematic References
Engine Controls Schematic References
Engine Controls Schematic References
Handling Electrostatic Discharge Sensitive Parts Notice
Handling Electrostatic Discharge Sensitive Parts Notice
Engine Controls Schematic References
Engine Controls Schematic References
Engine Controls Schematic References

Circuit Description

The injection pump delivers fuel to individual cylinders by opening and closing a solenoid control fuel valve. The PCM monitors the amount of time it takes for the fuel solenoid valve to physically close after commanded to close. Closure time out of range is seen as a fault. This response time is measured in milliseconds. This is a type D DTC.

Conditions for Setting the DTC

    • Battery voltage greater than 12 volts and less than 15 volts.
    • Engine coolant temperature greater than 50°C (122°F).
    • ENGINE SPEED greater than 1350 RPM.
    • Requested fuel rate is greater than 0.0 mm
    • Inj. Pump Closure Time less than .75 ms.

Action Taken When the DTC Sets

The MIL will not illuminate.

Conditions for Clearing the MIL/DTC

    • A History DTC will clear when forty consecutive warm-up cycles that the diagnostic does not fail (coolant temperature has risen 5°C (40°F) from start up coolant temperature and engine coolant temperature exceeds 71°C (160°F) that same ignition cycle.
    • Use of a Scan tool

Diagnostic Aids

Intermittent DTCs (P0251, P0370 and P1216) may be caused by air entering the fuel system when fuel levels get below 1/8 of a tank while performing hard acceleration or turning maneuvers. Its also possible that a P0251, P0370 and P1216 will set if vehicle has run out of fuel. Customer driving habits should be checked to determine if vehicle has been performing in these manners. If it has been determine that the vehicle has been performing in these conditions, bleed fuel system of all air and test drive vehicle.

If DTC P1216 is set with any other DTCs, diagnose them first. If the vehicle is running close to the DTC setting closure time, vehicle should be checked during cold start ups and during hot conditions.

An intermittent can be caused by the following:

    • Poor connections
    • Rubbed through wire insulation
    • Broken wire inside the insulation

Test Description

Number(s) below refer to the step number(s) on the Diagnostic Table.

  1. This step will determine if the ground circuit is open which causes the vehicle not to start.

  2. This step will determine if the signal circuit is open or an injection pump (fuel solenoid) is at fault.

Step

Action

Value(s)

Yes

No

1

Important: Before clearing DTCs use the scan tool Capture Info to record freeze frame and failure records for reference, as data will be lost when Clear Info function is used.

Was the Powertrain On-Board Diagnostic (OBD) System Check performed?

--

Go to Step 2

Go to Powertrain On Board Diagnostic (OBD) System Check

2

Is DTC P0219 set?

--

Go to DTC P0219 Engine Overspeed

Go to Step 3

3

Will engine start?

--

Go to Step 4

Go to Step 7

4

  1. Engine at operating temperature.
  2. Observe Inj. Pump Closure Time on scan tool.

Is the scan tool display less than or equal to the specified value?

0.75 ms

Go to Step 5

Go to Step 6

5

  1. Engine running.
  2. Again, observe Inj. Pump Closure Time on scan tool.

Is the Inj. Pump Closure Time display less than or equal to the specified value?

0.1 ms

Go to Step 8

Go to Step 10

6

DTC is intermittent. If no additional DTCs are stored, refer to Diagnostic Aids. If additional DTCs were stored refer to those applicable DTC table(s) first.

Are any additional DTCs stored?

--

Go to the Applicable DTC Table

--

7

  1. Check the Closure ground circuit for an open.
  2. If the Closure ground circuit is open, repair as necessary.

Was a repair performed?

--

Go to Step 12

Go to Step 10

8

  1. Check the Closure signal circuit for an open or short to ground and check connections at the driver.
  2. If a problem is found, repair the problem as necessary.

Was a repair performed?

--

Go to Step 12

Go to Step 9

9

Check the Closure signal circuit for a poor connection at the PCM and replace terminal if necessary.

Did the terminal require replacement?

--

Go to Step 12

Go to Step 11

10

Replace the Injection pump. Refer to Fuel Injection Pump Replacement .

Important: The new injection pump must be timed. Refer to Checking/Adjust Injection Timing .

Is the action complete?

--

Go to Step 12

--

11

Replace the PCM.

Important: The new PCM must be programmed. Refer to Powertrain Control Module Replacement/Programming

Is the action complete?

--

Go to Step 12

 

12

  1. Using the Scan Tool, select DTC, Clear Info.
  2. Start engine and idle at normal operating temperature.
  3. Select DTC, Specific, then enter the DTC number which was set.
  4. Operate vehicle until the Scan Tool indicates that the diagnostic has Ran.

Does the Scan Tool indicate that this diagnostic Passed?

--

Go to Step 13

Go to Step 2

13

Using the Scan Tool, select Capture Info, Review Info.

Are any DTCs displayed that have not been diagnosed?

--

Go to the Applicable DTC Table

System OK