GM Service Manual Online
For 1990-2009 cars only
Makes
🢒
Chevrolet
🢒
2005
🢒
Classic
🢒
Body
🢒
Seats
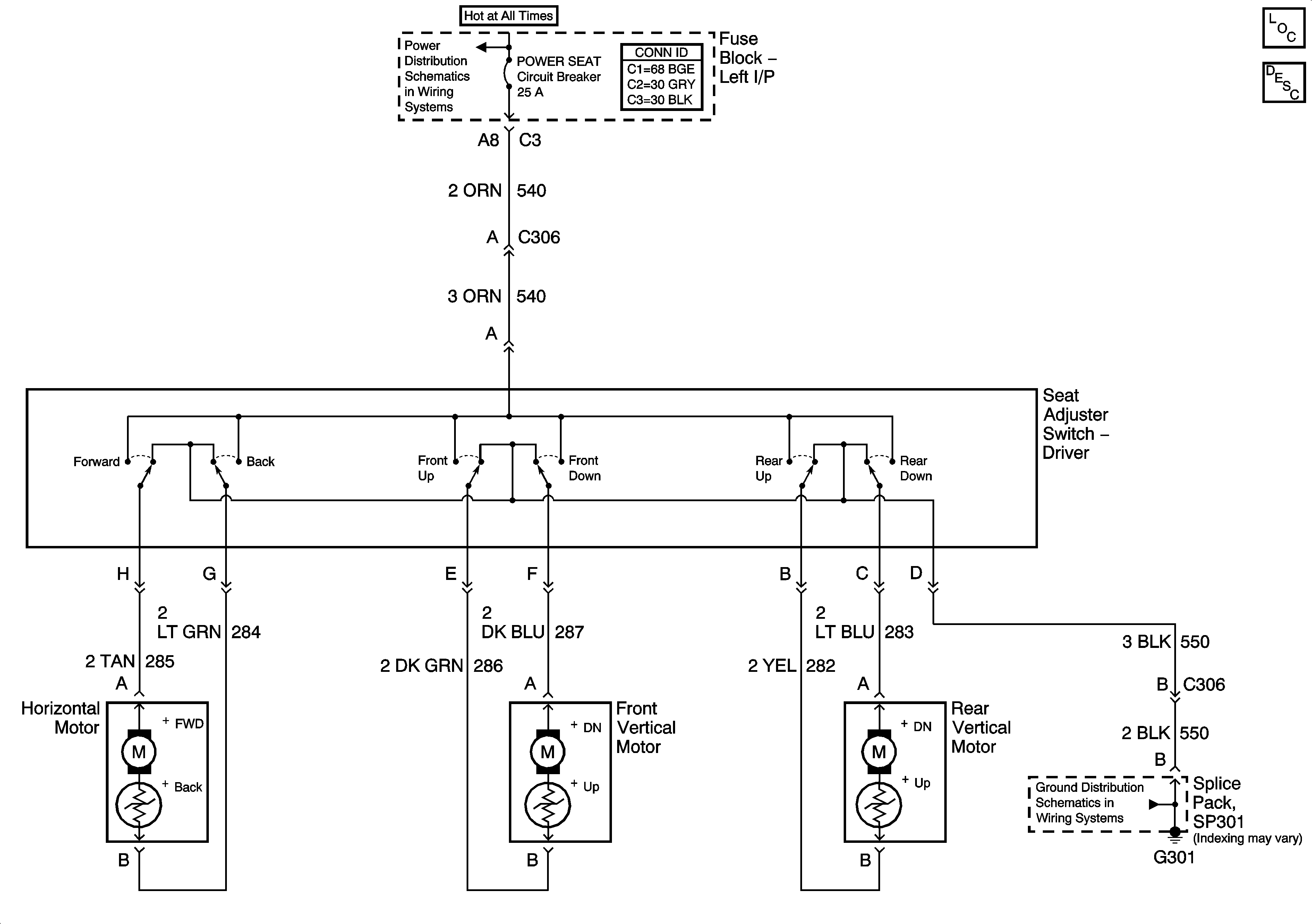
🢒 Driver Seat Schematics
Master Electrical Component List
Power Seats System Description and Operation
BATT 1, PWR Seat, PWR Mirror, DR Lock, Trunk Release/RFA
SP301