GM Service Manual Online
For 1990-2009 cars only
Figure 1:

Switches


Object Number: 1221875  Size: FS
Master Electrical Component List
Power Door Locks Description and Operation
Actuators w/ Remote Function Actuation
SP302
SP302
SP302
SP302
Figure 2:

Actuators - with Remote Function Actuation


Object Number: 783334  Size: FS
Master Electrical Component List
Power Door Locks Description and Operation
Actuators w/o Remote Function Actuation
Switches
BATT 1, PWR Seat, PWR Mirror, DR Lock, Trunk Release/RFA
SP201
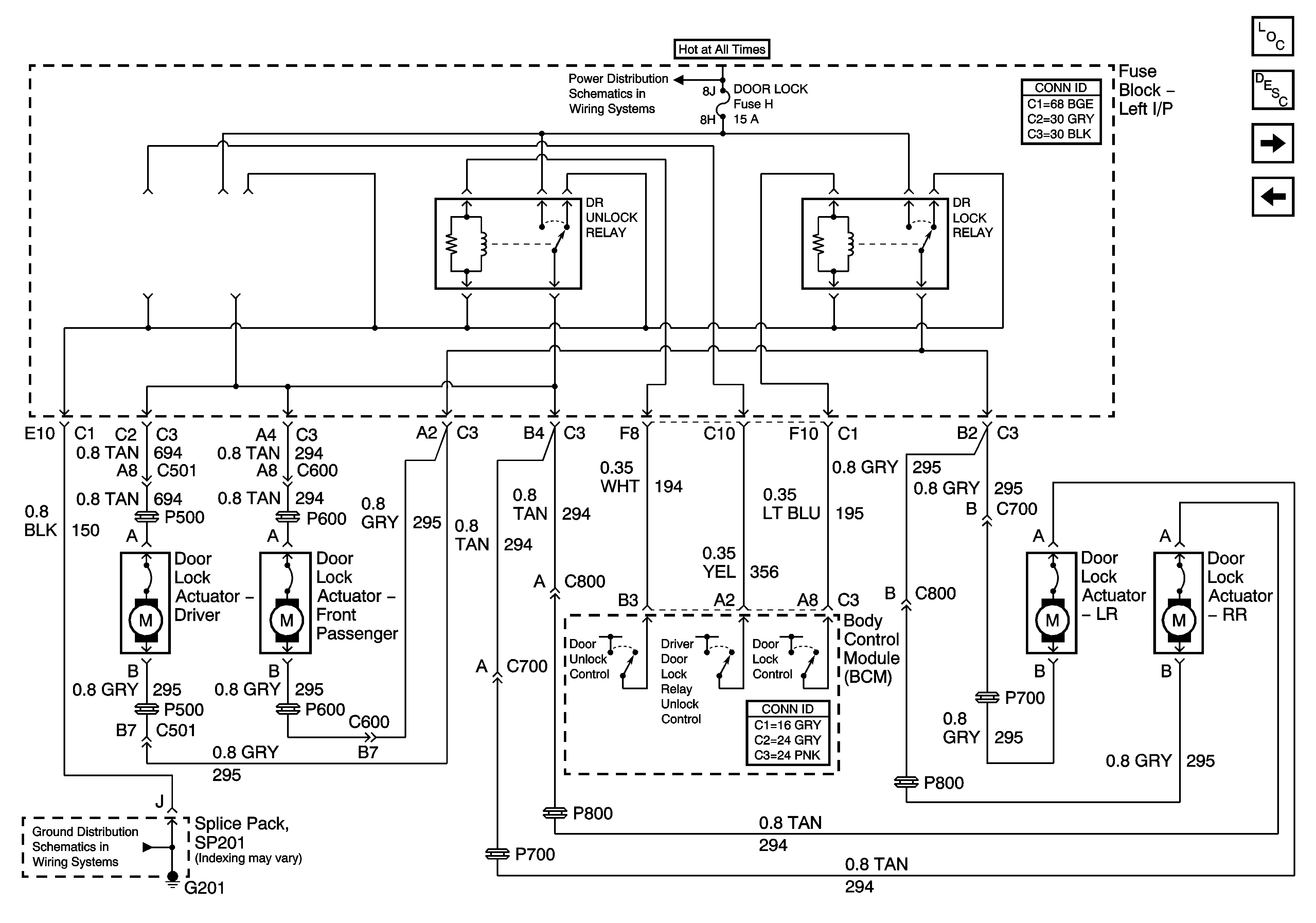
Figure 3:

Actuators - without Remote Function Actuation


Object Number: 1342722  Size: FS
Master Electrical Component List
Power Door Locks Description and Operation
Door Ajar Switches
Actuators w/ Remote Function Actuation
BATT 1, PWR Seat, PWR Mirror, DR Lock, Trunk Release/RFA
SP201
Figure 4:

Door Ajar Switches


Object Number: 784162  Size: FS
Master Electrical Component List
Power Door Locks Description and Operation
Actuators w/o Remote Function Actuation
SP302
SP302