GM Service Manual Online
For 1990-2009 cars only
Makes
🢒
Chevrolet
🢒
2005
🢒
Classic
🢒 Engine Data Sensors - Pressure and Temperature
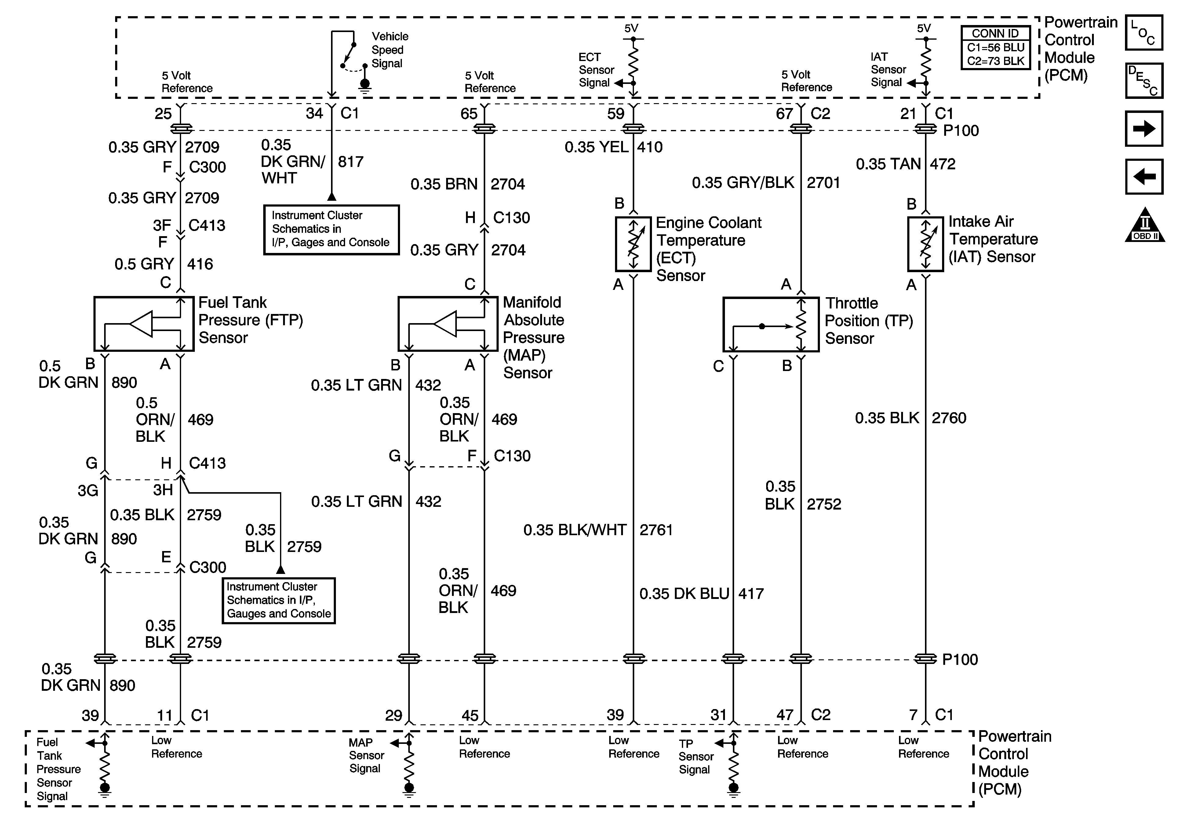
Engine Data Sensors - Pressure and Temperature
Engine Data Sensors - Pressure and Temperature
Master Electrical Component List
Powertrain Control Module Description
Engine Data Sensors - Heated Oxygen Sensors
5-Volt and Low Reference Bussing
Engine Controls Schematic Icons
Power and Grounds
Indicators and Communication