GM Service Manual Online
For 1990-2009 cars only
Makes
🢒
Chevrolet
🢒
2005
🢒
Classic
🢒 Transmission Switches
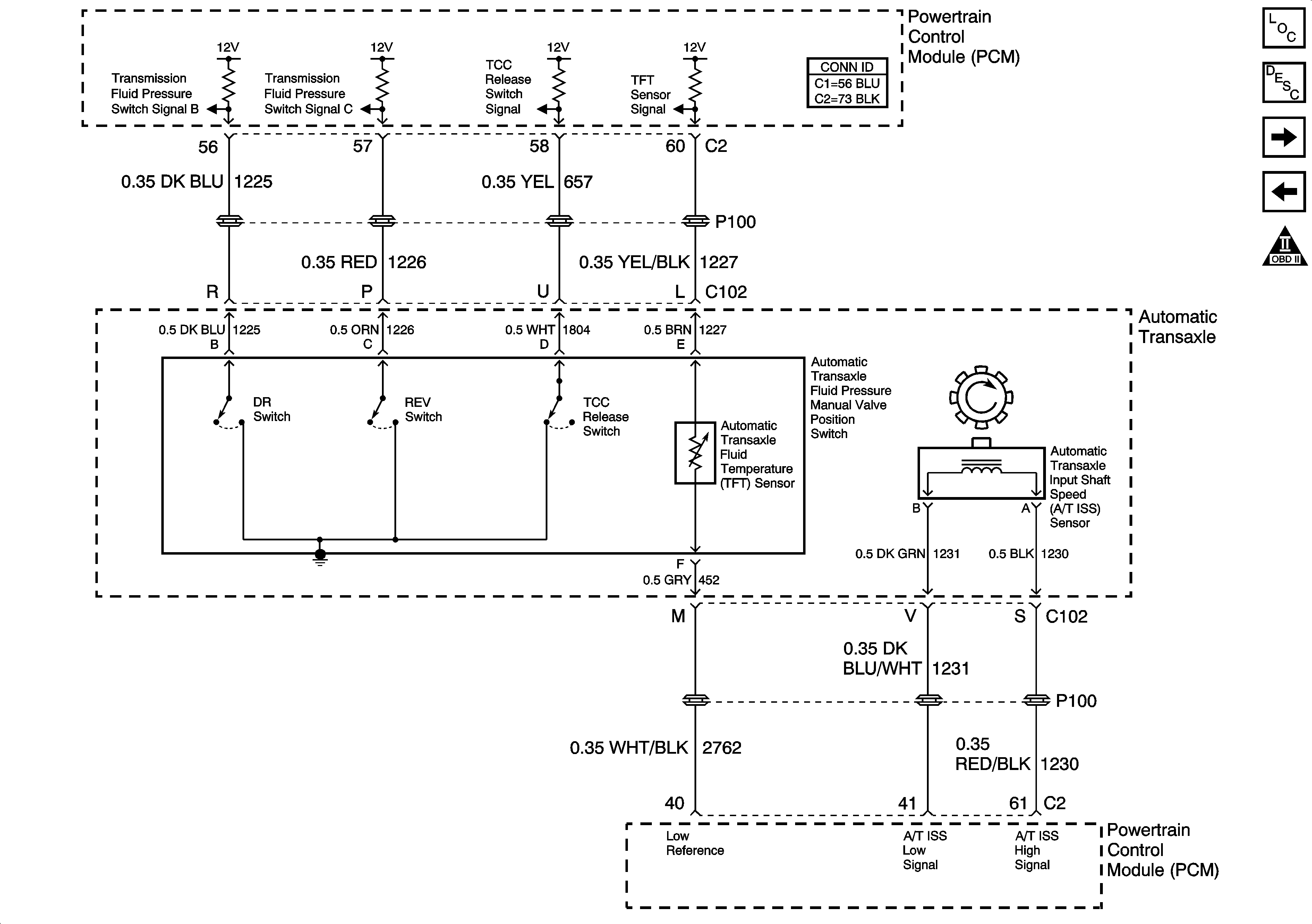
Transmission Switches
Transmission Switches
Master Electrical Component List
Transmission General Description
Park/Neutral Position (PNP) Switch
Shift Solenoids
Automatic Transmission Schematic Icons