GM Service Manual Online
For 1990-2009 cars only
Makes
🢒
Chevrolet
🢒
2005
🢒
Cobalt
🢒 Charging
Charging
Charging
Master Electrical Component List
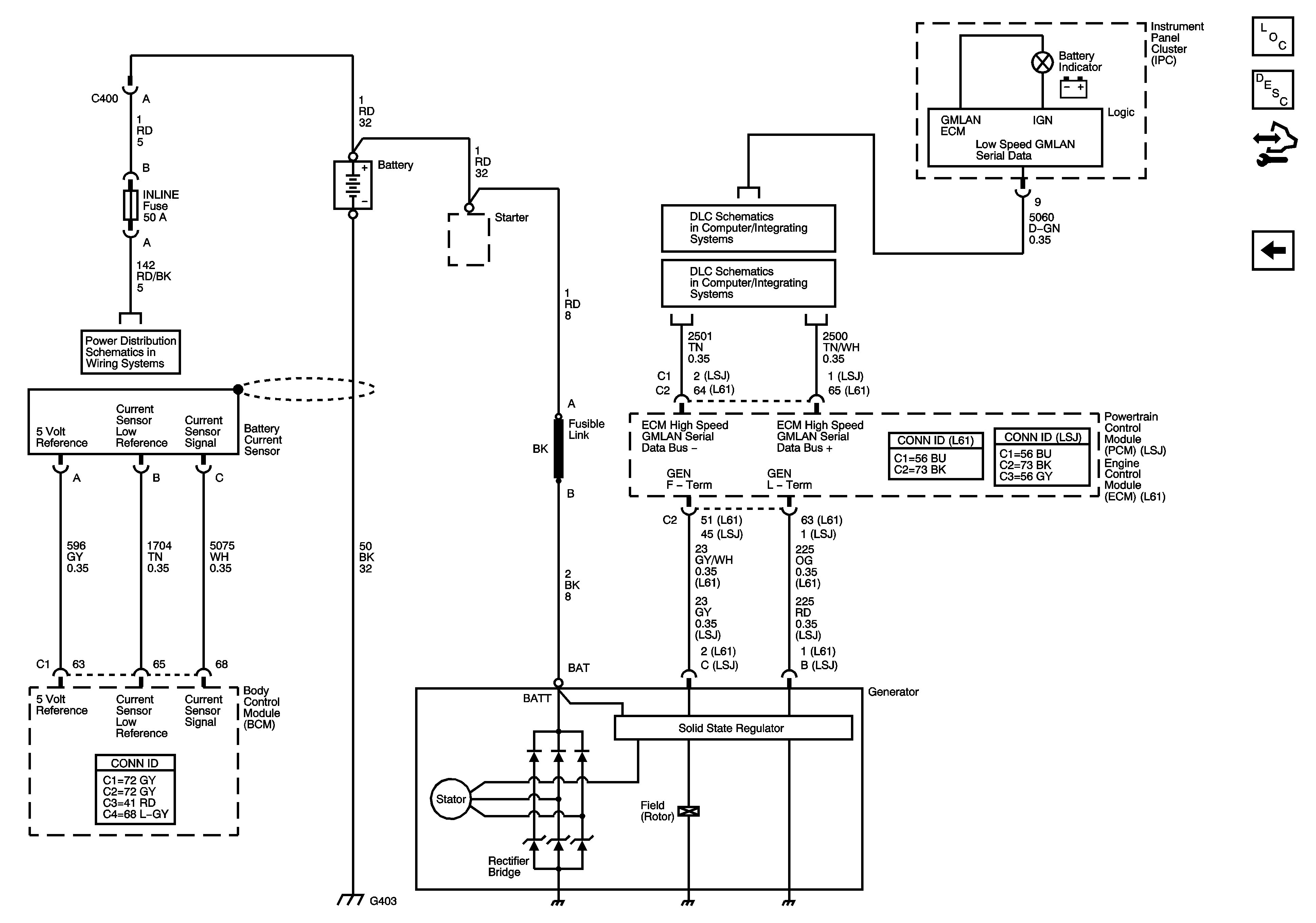
Charging System Description and Operation w/RVC
Control Module References
Starting
DLC Power, Ground, and Low Speed GMLAN
DLC High Speed, Serial Data, Class 2
Underhood Fuse Block B+ Bus