GM Service Manual Online
For 1990-2009 cars only
Makes
🢒
Chevrolet
🢒
2005
🢒
Cobalt
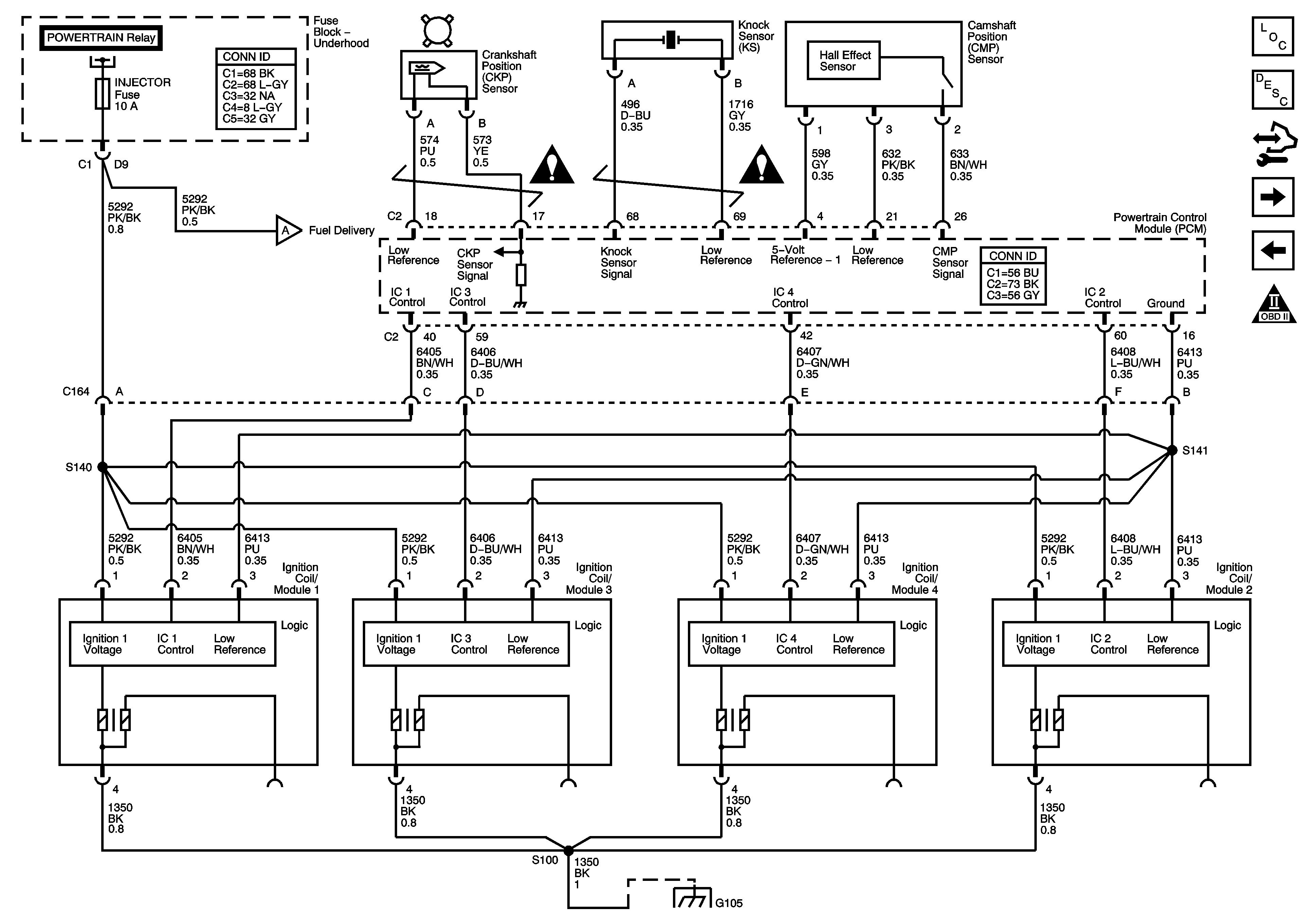
🢒 Ignition Controls
Ignition Controls
Ignition Controls
Master Electrical Component List
Electronic Ignition (EI) System Description
Control Module References
Fuel Controls
Engine Data Sensors - APP and TAC
Engine Controls Schematic Icons
FUEL FUMP Relay, POWERTRAIN Relay, FUEL PMP Fuse, EMISSION Fuse, INJECTORS Fuse, PCM/ECM Fuse
G103 and G105