GM Service Manual Online
For 1990-2009 cars only
Makes
🢒
Chevrolet
🢒
2005
🢒
Cobalt
🢒 Fuel Controls
Fuel Controls
Fuel Controls
Master Electrical Component List
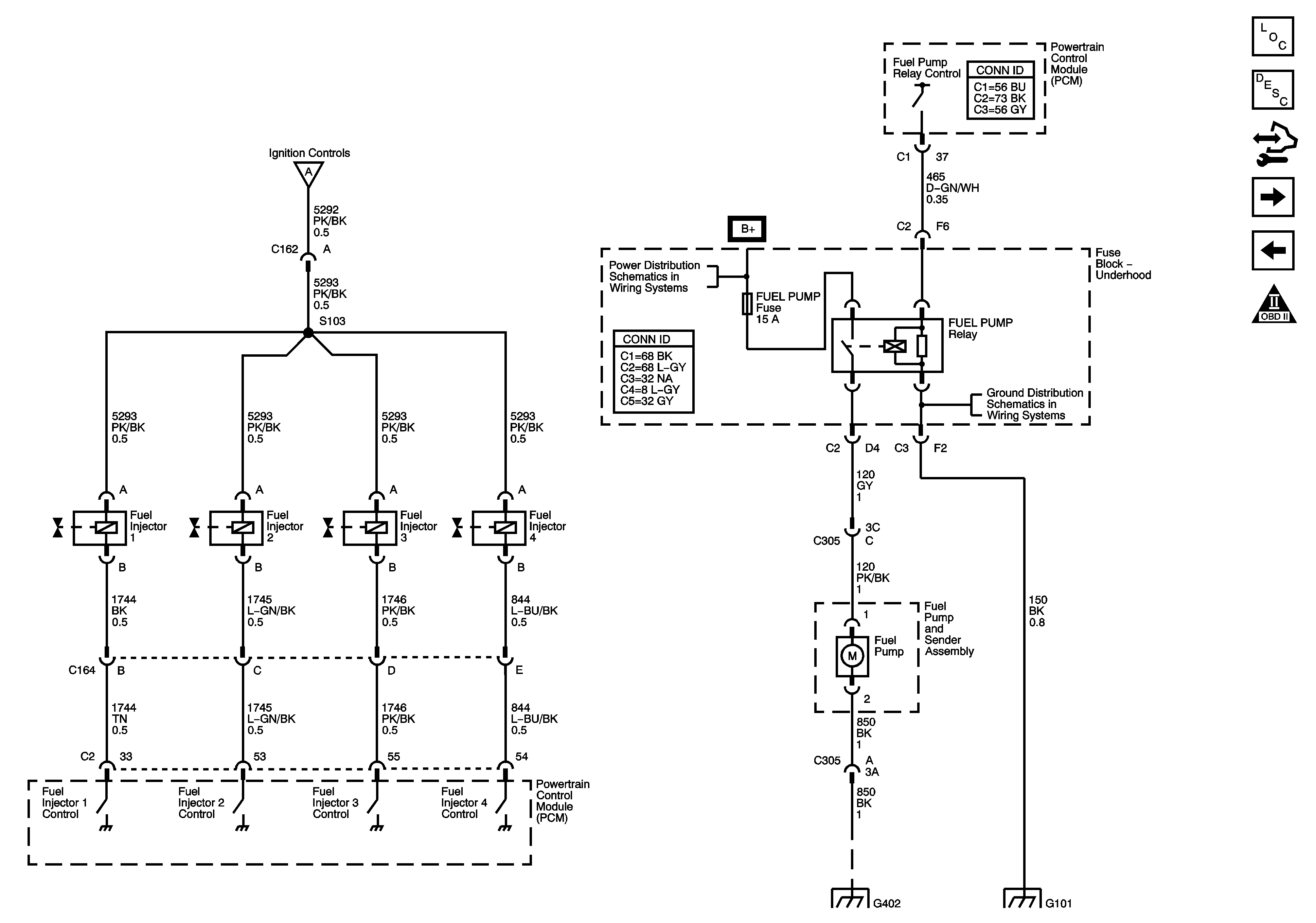
Fuel System Description
Control Module References
Engine Data Sensors - EVAP, After Cooler Pump and Supercharger By-Pass Valve Solenoid
Ignition Controls
Engine Controls Schematic Icons
FUEL FUMP Relay, POWERTRAIN Relay, FUEL PMP Fuse, EMISSION Fuse, INJECTORS Fuse, PCM/ECM Fuse
G101 and G102
G402 and G403
G101 and G102