GM Service Manual Online
For 1990-2009 cars only
Makes
🢒
Chevrolet
🢒
2005
🢒
Cobalt
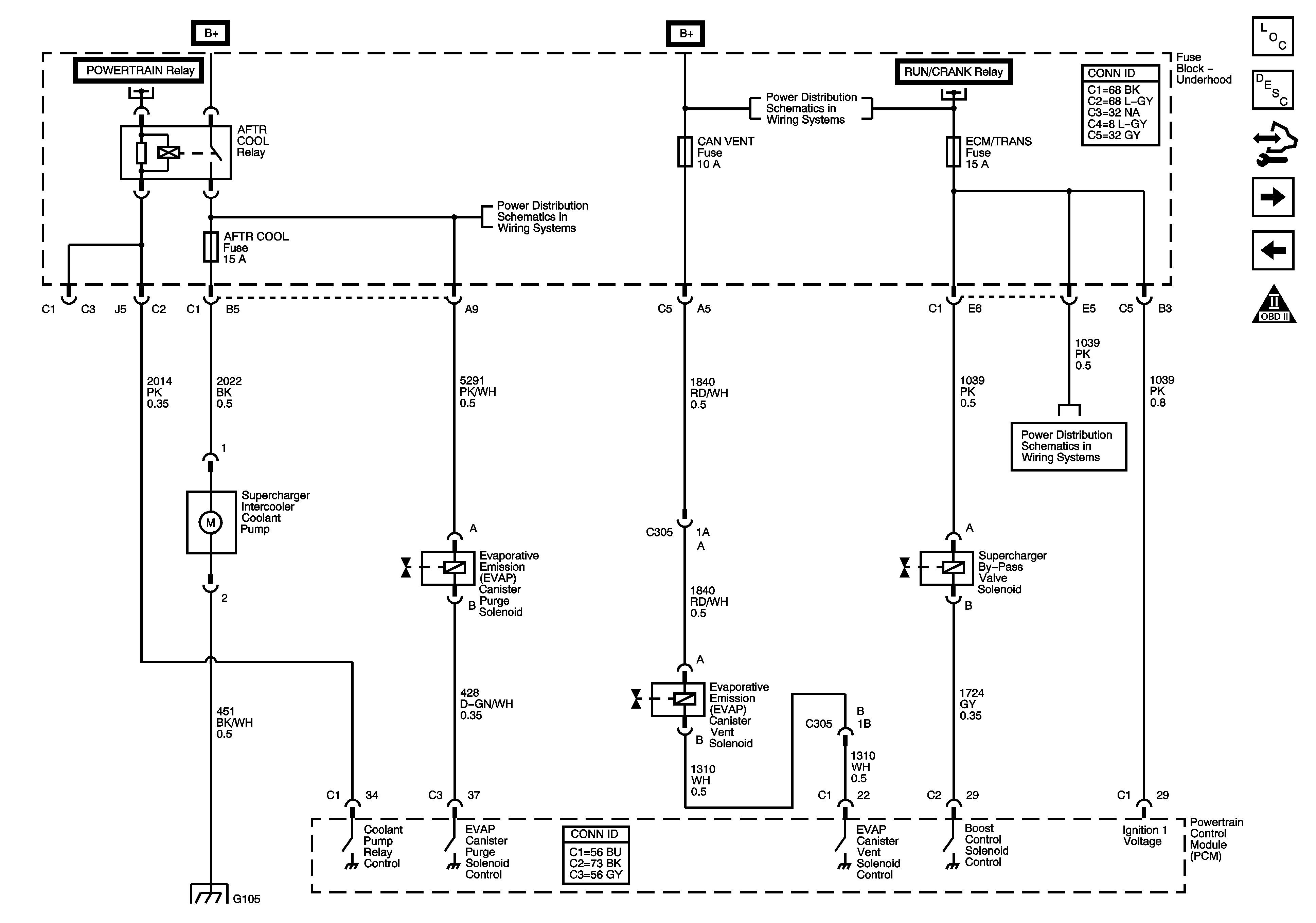
🢒 Engine Data Sensors - EVAP, After Cooler Pump and Supercharger By-Pass Valve Solenoid
Engine Data Sensors - EVAP, After Cooler Pump and Supercharger By-Pass Valve Solenoid
Engine Data Sensors - EVAP, After Cooler Pump and Supercharger By-Pass Valve Solenoid
Master Electrical Component List
Evaporative Emission Control System Description
Control Module References
Controlled/Monitored Subsystem Reference
Fuel Controls
Engine Controls Schematic Icons
AFTERCOOL Relay, AFTERCOOL Fuse, A/C CLUTCH Relay, A/C Fuse, HORN PCB Relay, HORN Fuse, FOG LAMP PCB Relay, FOG LAMP Fuse, TRUNK/OUTLET Relay, TRUNK RELEASE PCB Relay
RUN/CRANK Relay, I/P IGN Fuse, PRK/NEUT Fuse, BACKUP Fuse, ABS Fuses, ECM TRANS Fuse, LIGHTER Fuse, CAN VENT Fuse, EPS Fuse, BCM2 and 3 Fuses, HEATED SEAT Fuse, S-BAND/ONSTAR Fuse, MIRROR Fuse
RUN/CRANK Relay, I/P IGN Fuse, PRK/NEUT Fuse, BACKUP Fuse, ABS Fuses, ECM TRANS Fuse, LIGHTER Fuse, CAN VENT Fuse, EPS Fuse, BCM2 and 3 Fuses, HEATED SEAT Fuse, S-BAND/ONSTAR Fuse, MIRROR Fuse
G103 and G105