GM Service Manual Online
For 1990-2009 cars only
Makes
🢒
Chevrolet
🢒
2005
🢒
Cobalt
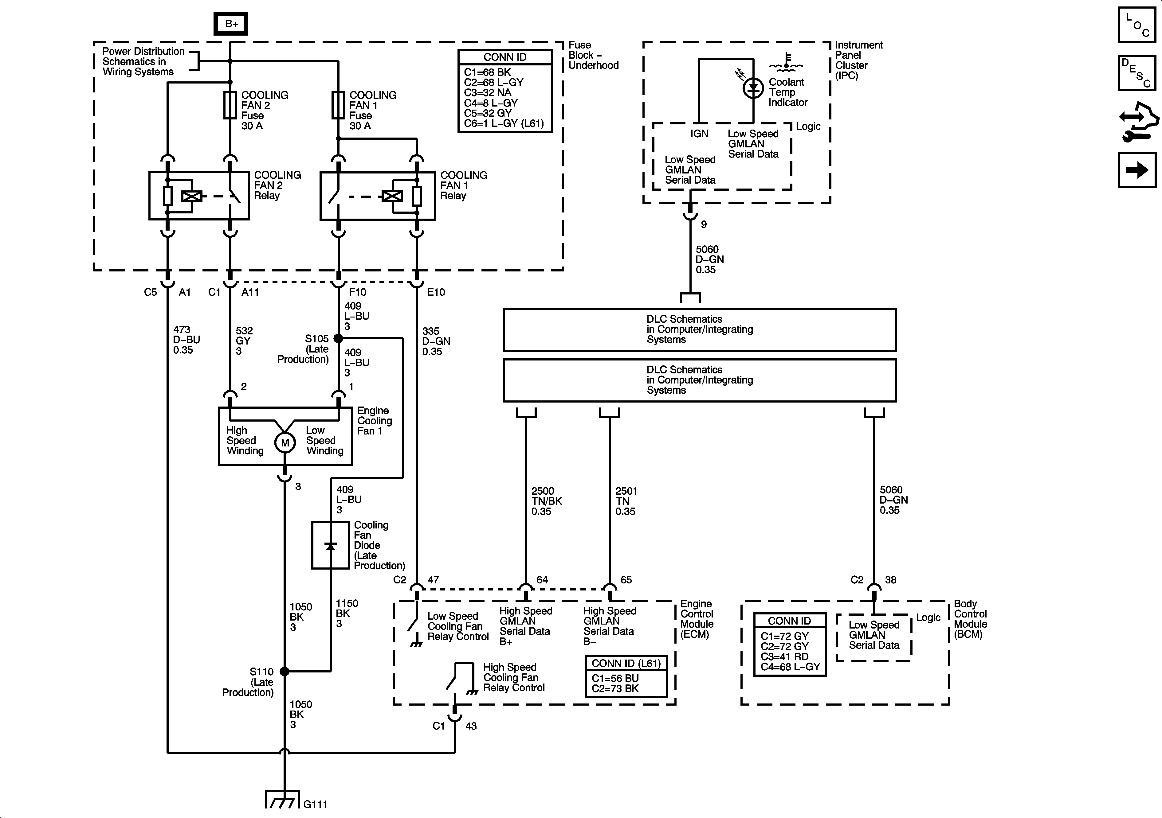
🢒 Cooling Fan and Indicator - 2.2L
Cooling Fan and Indicator - 2.2L
Cooling Fan and Indicator - 2.2L
Master Electrical Component List
Cooling System Description and Operation
Control Module References
Cooling Fan and Indicator - 2.0L
Underhood Fuse Block B+ Bus
DLC Power, Ground, and Low Speed GMLAN
DLC High Speed, Serial Data, Class 2
G109, G203, and G306
G103 and G105
G201