GM Service Manual Online
For 1990-2009 cars only
Makes
🢒
Chevrolet
🢒
2005
🢒
Cobalt
🢒 Inputs
Inputs
Inputs
Master Electrical Component List
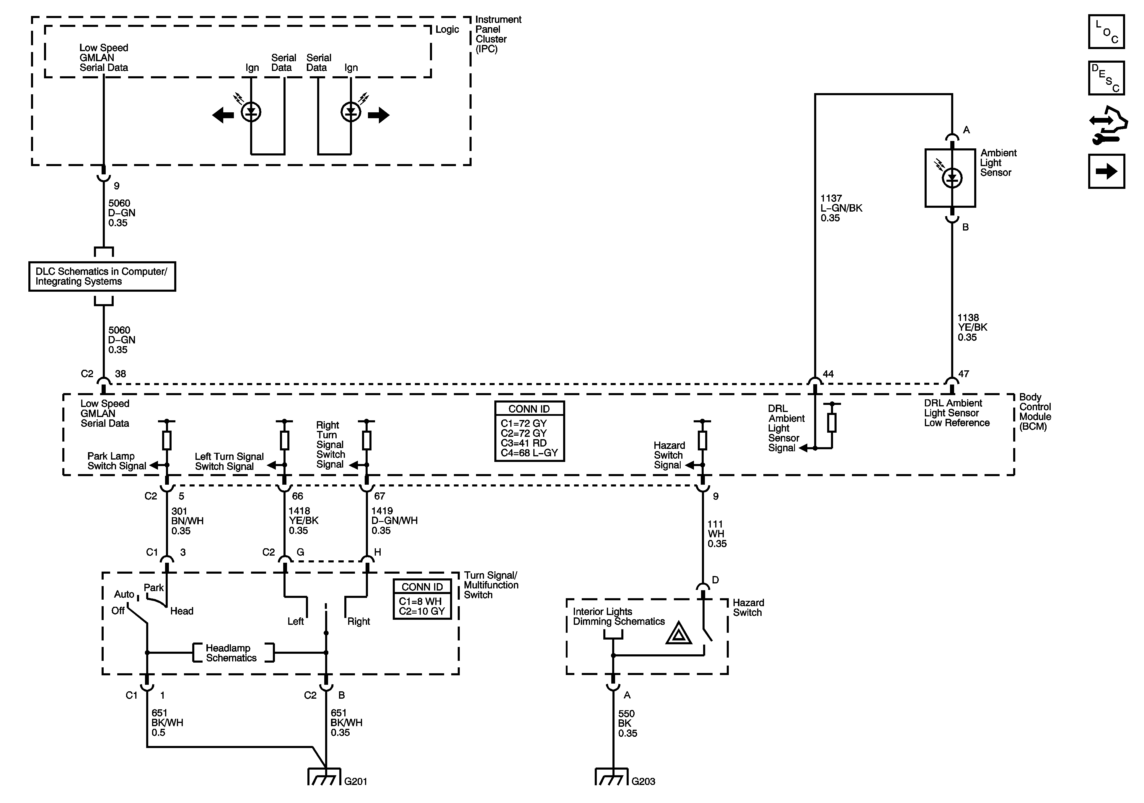
Exterior Lighting Systems Description and Operation
Control Module References
Park Lamps
DLC Power, Ground, and Low Speed GMLAN
Headlights/DRL Schematics
Dimmer Switch Inputs
G201
G109, G203, G306