GM Service Manual Online
For 1990-2009 cars only
Makes
🢒
Chevrolet
🢒
2005
🢒
Cobalt
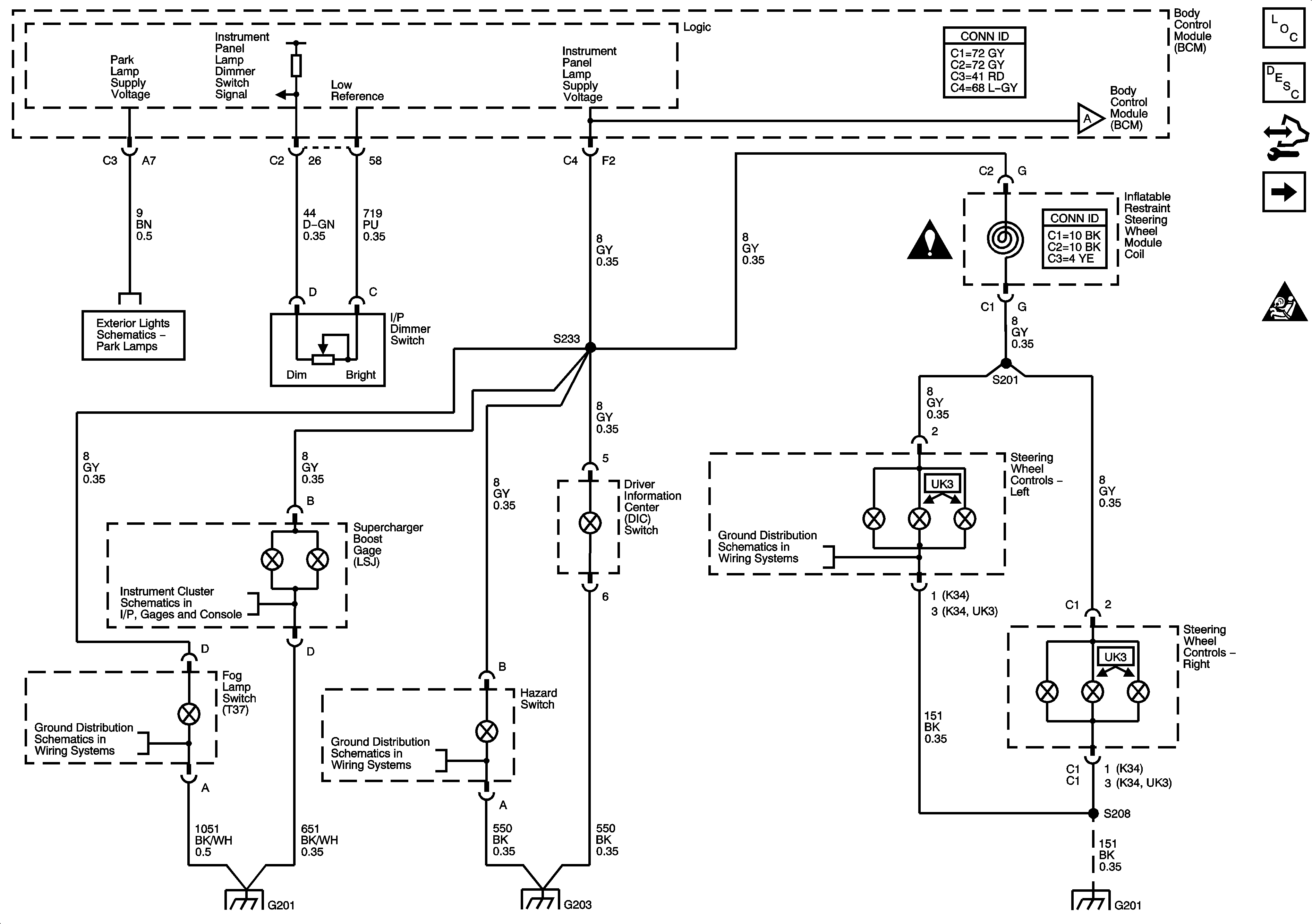
🢒 Dimmer Switch Inputs
Dimmer Switch Inputs
Dimmer Switch Inputs
Master Electrical Component List
Interior Lighting Systems Description and Operation
Control Module References
IPC, HVAC Control Module, Heated Seats
Lighting Systems Schematic Icons
IPC, HVAC Control Module, Heated Seats
Park Lamps
Lighting Systems Schematic Icons
Ambient Air Temperature Sensor, EOP Sensor, Fuel Level Sensor and Indicator
G109, G203, G306
G109, G203, G306
G201 2 of 2
G201 2 of 2
G201
G201