GM Service Manual Online
For 1990-2009 cars only
Makes
🢒
Chevrolet
🢒
2005
🢒
Cobalt
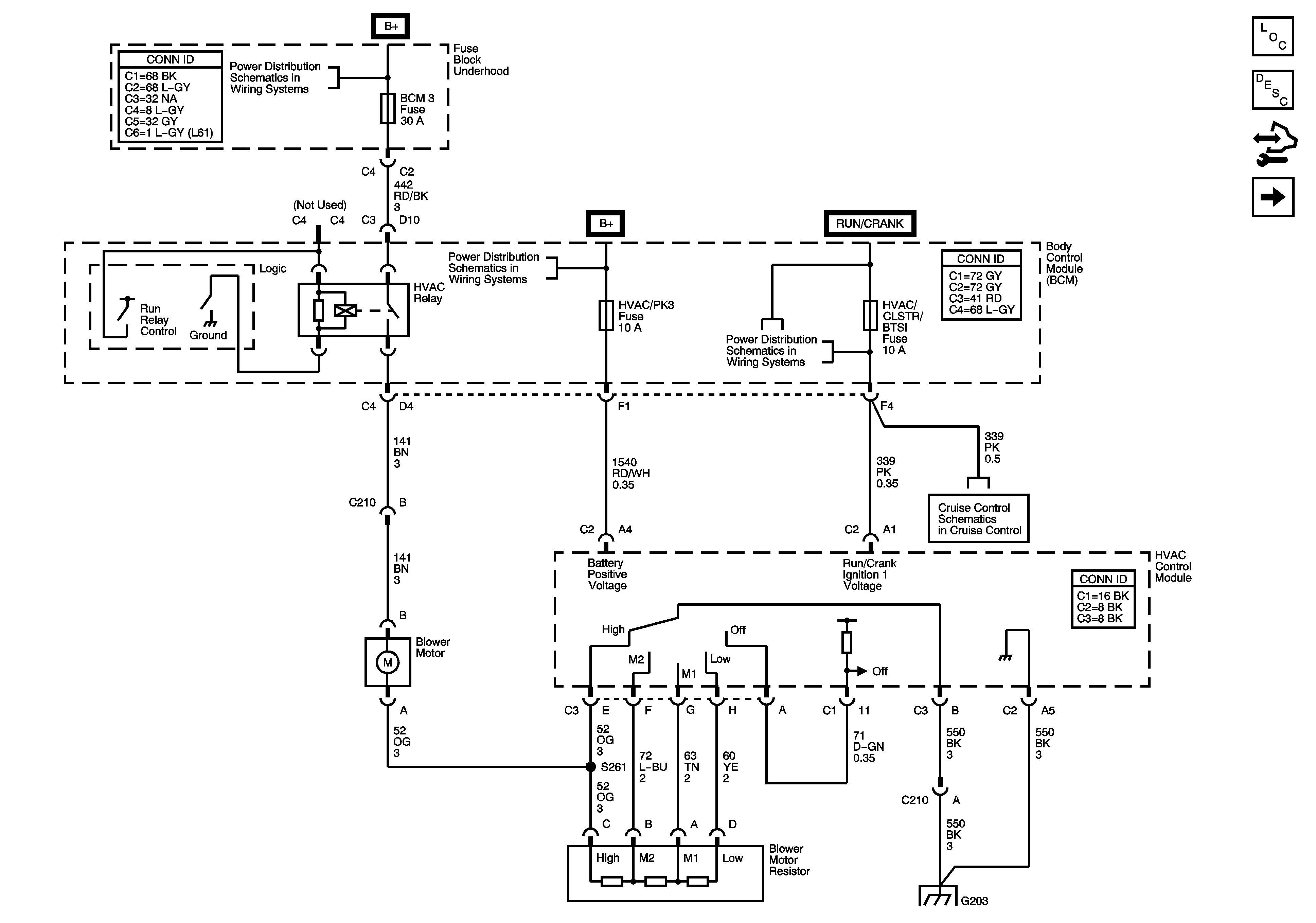
🢒 Power, Ground and Blower Motor Controls
Power, Ground and Blower Motor Controls
Power, Ground and Blower Motor Controls
Master Electrical Component List
Air Delivery Description and Operation
Control Module References
Compressor Controls
Ignition Switch, BCM2 Fuse, IGN SW Fuse, STOP LPS Fuse, AUDIO AMPLIFIER Fuse, CLUSTER Fuse, HVAC/PK3 Fuse
RUN/CRANK Relay, HVAC Relay, I/P IGN Fuse, BCM3 Fuse, WIPER Fuse, RESTRAINTS Fuse, EPS Fuse
Clutch Pedal Position Switch and Stop Lamp Switch
G109, G203, and G306