GM Service Manual Online
For 1990-2009 cars only
Makes
🢒
Chevrolet
🢒
2005
🢒
Cobalt
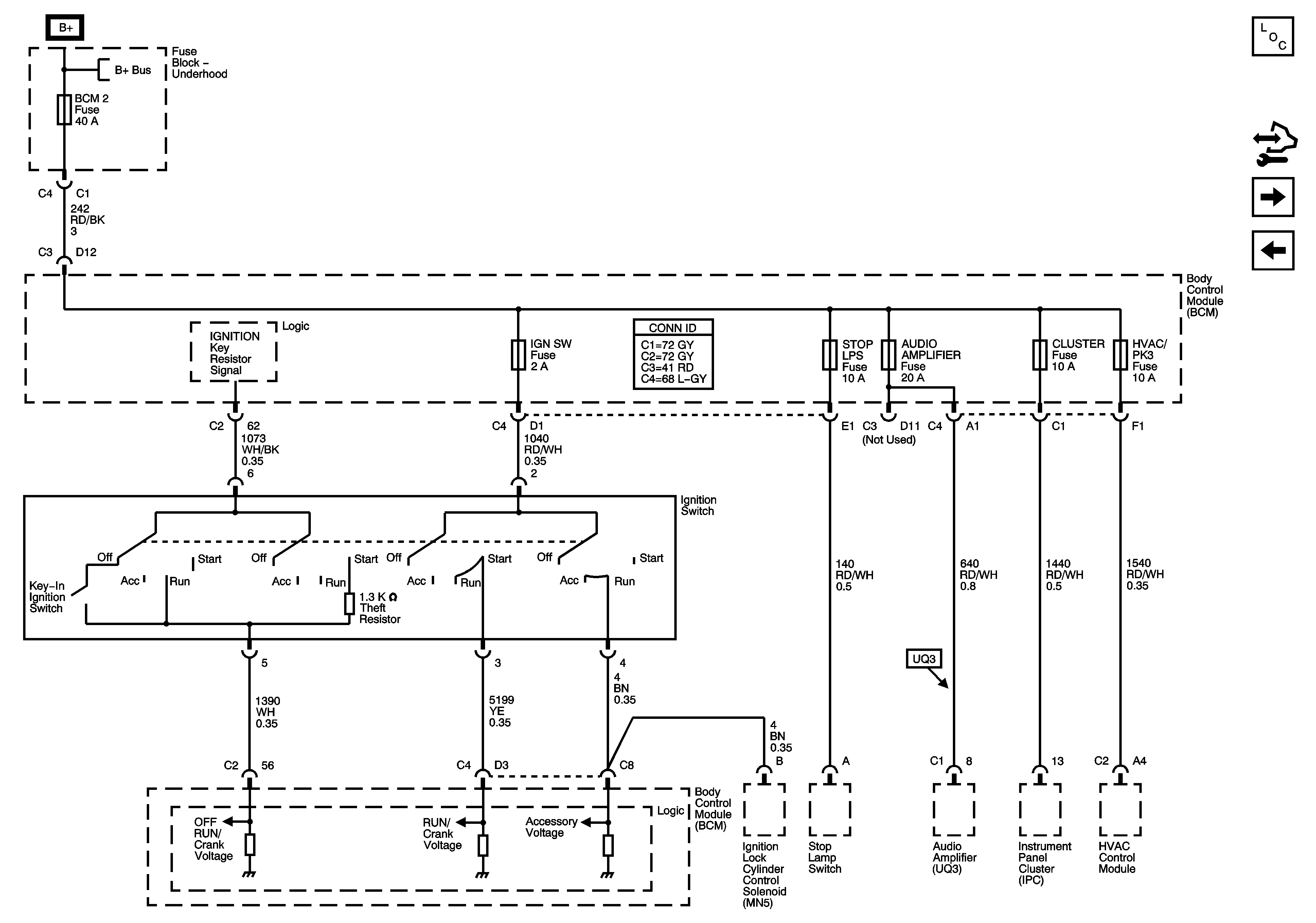
🢒 Ignition Switch, BCM2 Fuse, IGN SW Fuse, STOP LPS Fuse, AUDIO AMPLIFIER Fuse, CLUSTER Fuse, HVAC/PK3 Fuse
Ignition Switch, BCM2 Fuse, IGN SW Fuse, STOP LPS Fuse, AUDIO AMPLIFIER Fuse, CLUSTER Fuse, HVAC/PK3 Fuse
Igntion Switch, BCM2 Fuse, IGN SW Fuse, STOP LPS Fuse, AUDIO AMPLIFIER Fuse, CLUSTER Fuse, HVAC/PK3 Fuse
Master Electrical Component List
Control Module References
RUN/CRANK Relay, HVAC Relay, I/P IGN Fuse, BCM3 Fuse, WIPER Fuse, RESTRAINTS Fuse, EPS Fuse
RDO Fuse, DR LCK Fuse, INT LIGHTS Fuse, PWR WNDW Fuse, S ROOF Fuse, ECM/TCM Fuse, SDM Fuse, RAP Relay, INTERIOR LAMPS PCB Relay, Door Lock PCB Relays
Underhood Fuse Block B+ Bus