GM Service Manual Online
For 1990-2009 cars only
Makes
🢒
Chevrolet
🢒
2005
🢒
Cobalt
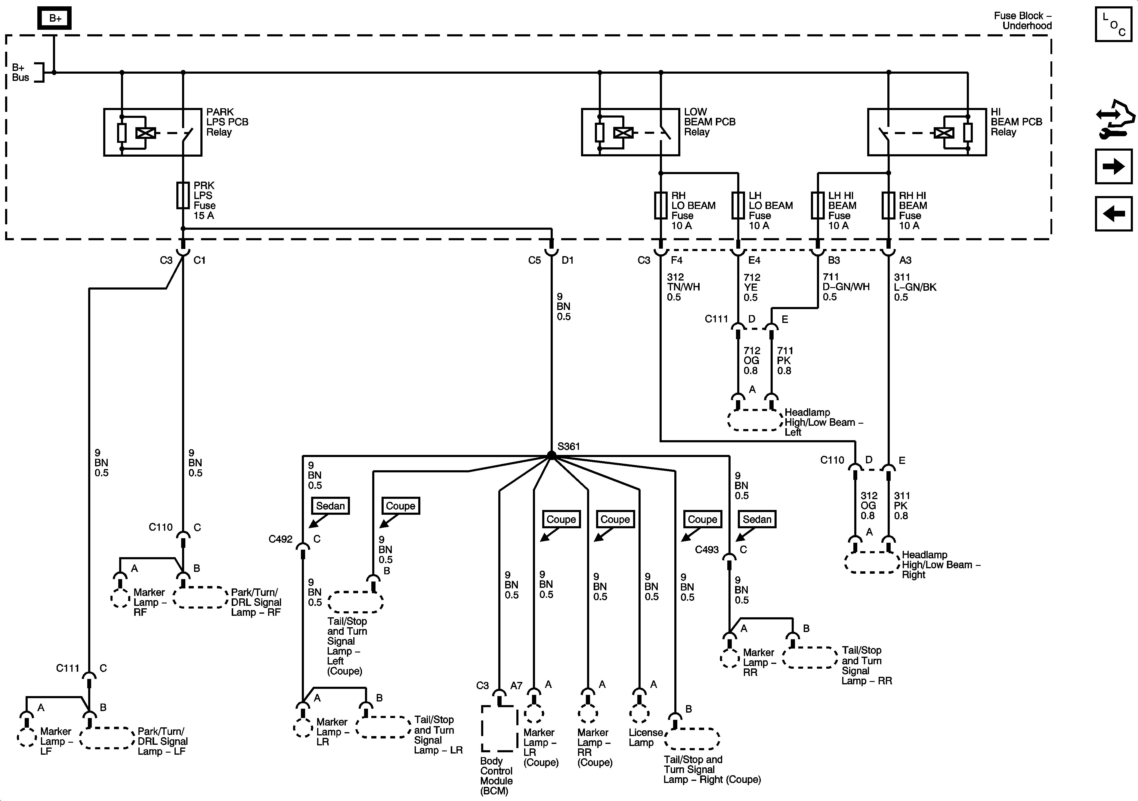
🢒 PARK LPS, LOW BEAM, HIGH BEAM Relays, PARK LPS, RF LOW BEAM, LF LOW BEAM, RF HIGH BEAM, LF HIGH BEAM Fuses
PARK LPS, LOW BEAM, HIGH BEAM Relays, PARK LPS, RF LOW BEAM, LF LOW BEAM, RF HIGH BEAM, LF HIGH BEAM Fuses
PARK LPS, LOW BEAM, HIGH BEAM Relays, PARK LPS, RF LOW BEAM, LF LOW BEAM, RF HIGH BEAM, LF HIGH BEAM Fuses
Master Electrical Component List
Control Module References
RAP, DOOR LOCK, DOOR UNLOCK, INTERIOR LAMPS Relays, DOOR LOCK RADIO, PWR WINDOW, SUNROOF, INT LPS, ECM/TCM, SDM, CURRENT SENSOR Fuses
AIR SOLENOID, A/C CLUTCH, HORN, FOG LAMP Relays, AIR SOLENOID, A/C, HORN, FOG LAMP Fuses