GM Service Manual Online
For 1990-2009 cars only

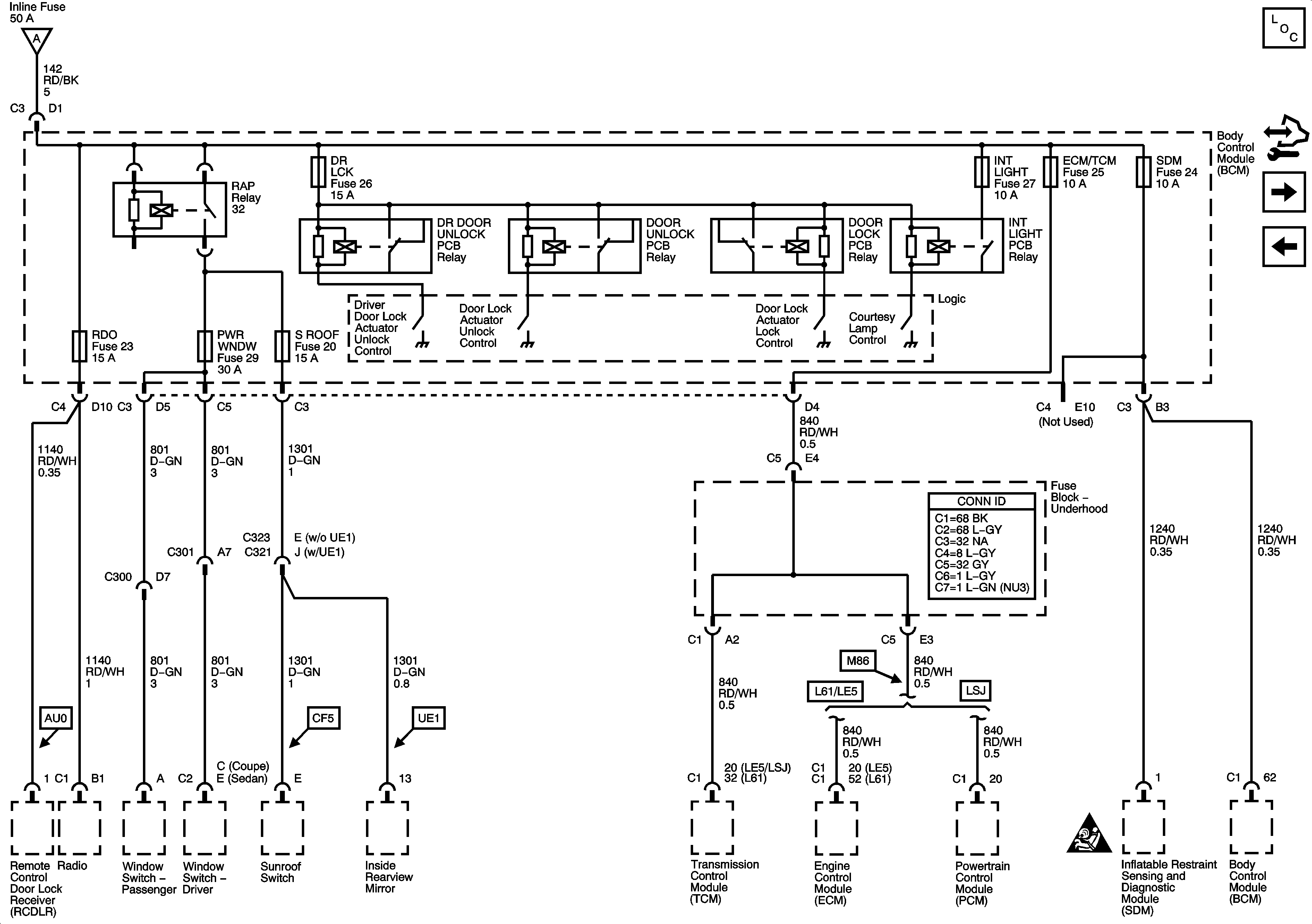
RAP, DOOR LOCK, DOOR UNLOCK, INTERIOR LAMPS Relays, DOOR LOCK RADIO, PWR WINDOW, SUNROOF, INT LPS, ECM/TCM, SDM, CURRENT SENSOR Fuses

RAP, DOOR LOCK, DOOR UNLOCK, INTERIOR LAMPS Relays, DOOR LOCK, RADIO, PWR WINDOW, SUNROOF INT LPS, ECM/TCM, SDM, CURRENT SENSOR Fuses


Object Number: 1582415  Size: FS
Master Electrical Component List
Control Module References
BCM2, CLUSTER, IGN SW, STOP LPS, AUDIO AMPLIFIER Fuses
PARK LPS, LOW BEAM, HIGH BEAM Relays, PARK LPS, RF LOW BEAM, LF LOW BEAM, RF HIGH BEAM, LF HIGH BEAM Fuses
Power and Grounding Schematic Icons