GM Service Manual Online
For 1990-2009 cars only
Makes
🢒
Chevrolet
🢒
2005
🢒
Cobalt
🢒 Ignition Controls - Ignition System and Sensors
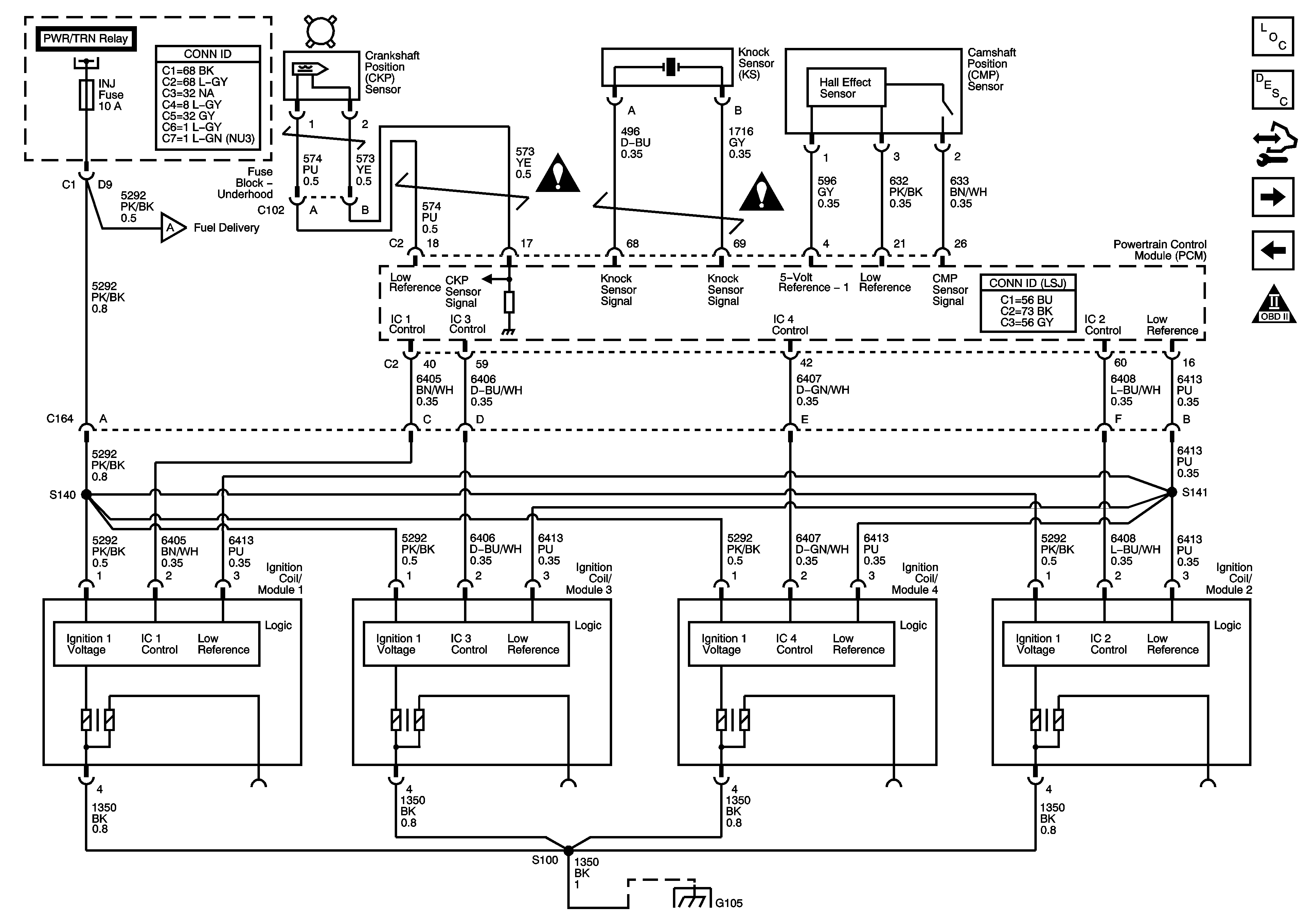
Ignition Controls - Ignition System and Sensors
Ignition Controls - Ignition System and Sensors
Master Electrical Component List
Electronic Ignition (EI) System Description
Control Module References
Fuel Delivery
Engine Data Sensors, APP and TAC
Engine Controls Schematic Icons
Fuel Delivery
Engine Controls Schematic Icons
Engine Controls Schematic Icons
G103, G105