GM Service Manual Online
For 1990-2009 cars only
Makes
🢒
Chevrolet
🢒
2005
🢒
Cobalt
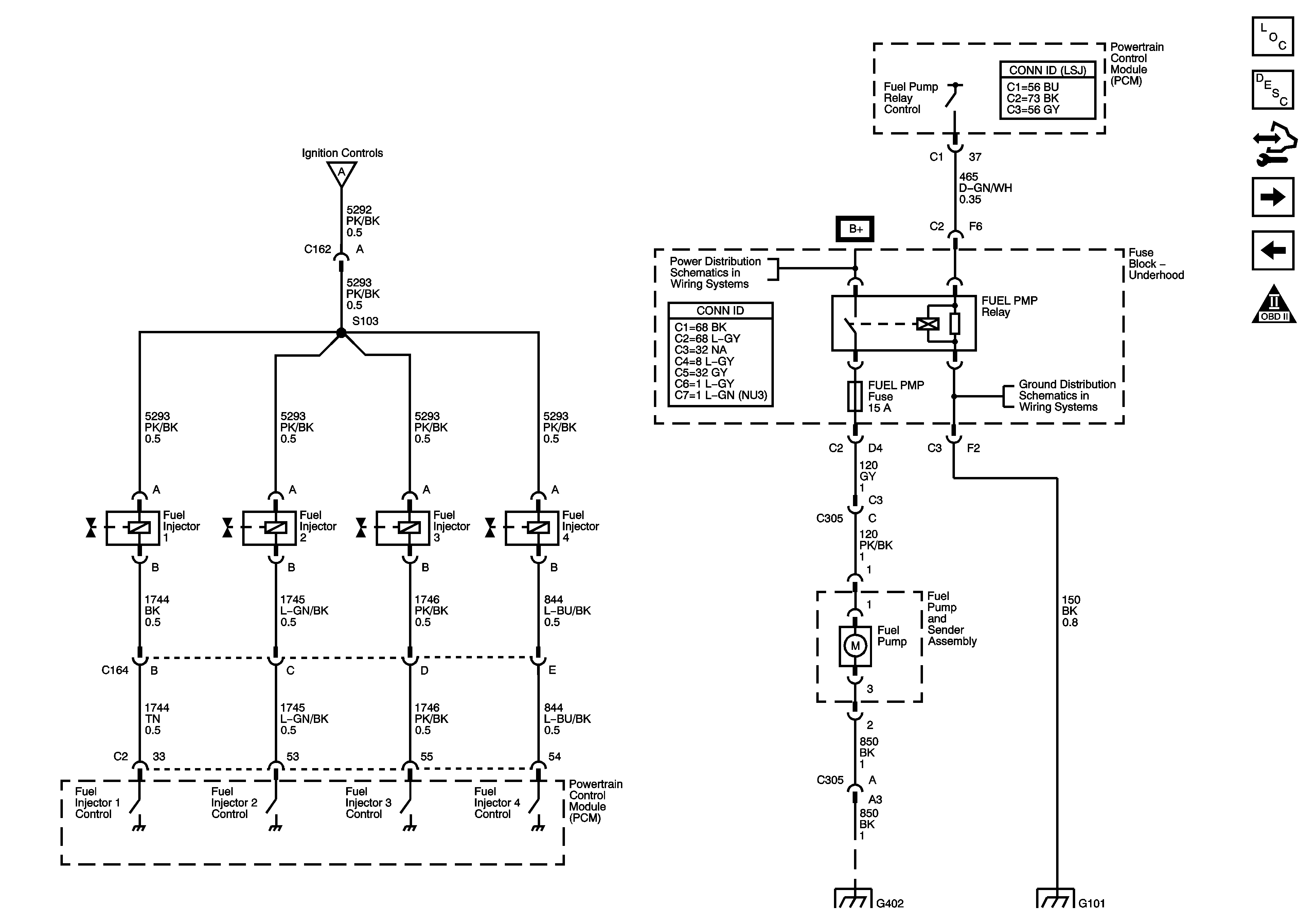
🢒 Fuel Delivery
Fuel Delivery
Fuel Delivery
Master Electrical Component List
Fuel System Description
Control Module References
Engine Data Sensors, EVAP, Aftercooler Pump, Supercharger Boost Control Solenoid
Ignition Controls - Ignition System and Sensors
Engine Controls Schematic Icons
Ignition Controls - Ignition System and Sensors
G101, G102
G402, G403
G101, G102