GM Service Manual Online
For 1990-2009 cars only
Makes
🢒
Chevrolet
🢒
2005
🢒
Cobalt
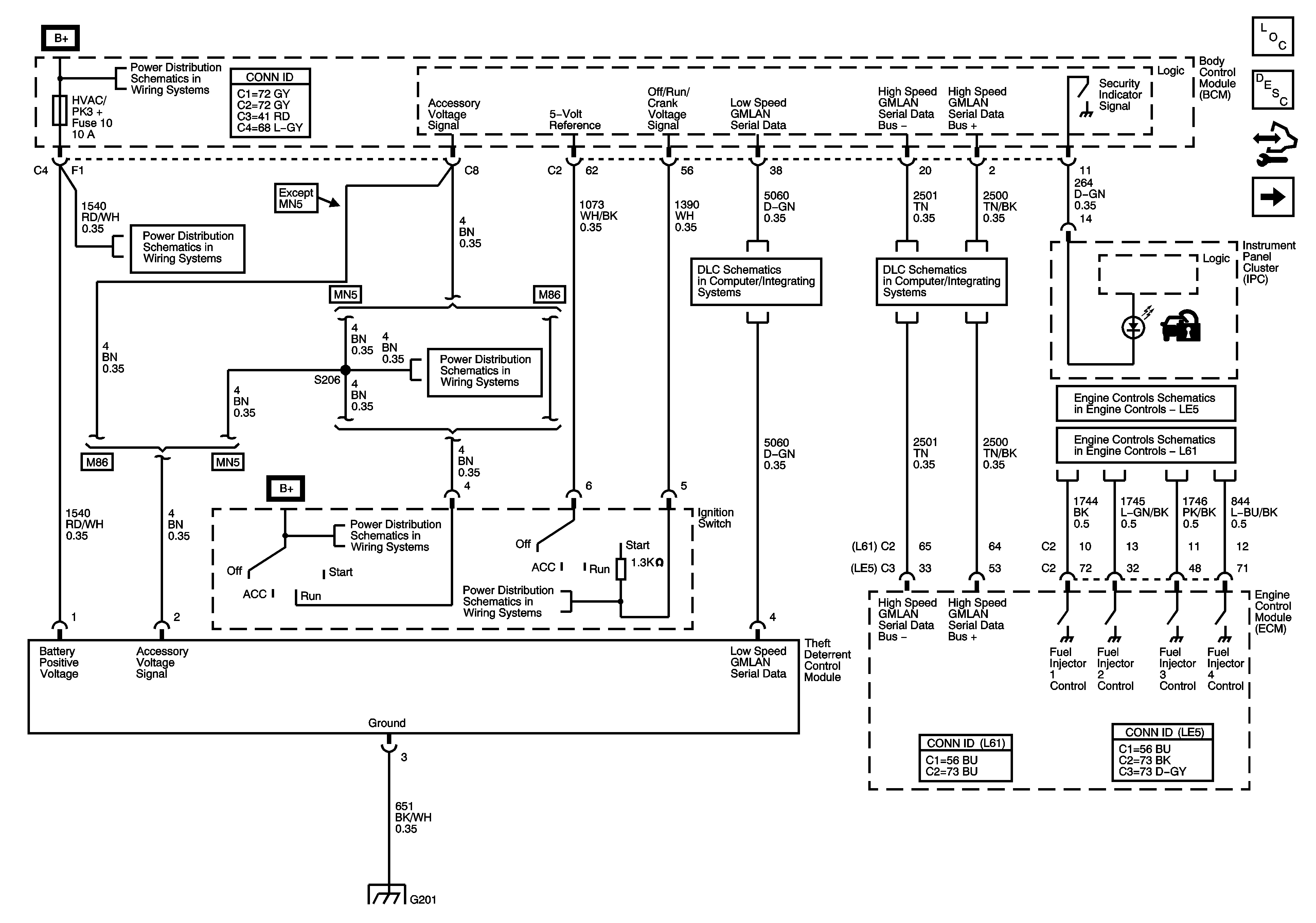
🢒 Theft Deterrent
Theft Deterrent
Theft Deterrent
Master Electrical Component List
Vehicle Theft Deterrent (VTD) Description and Operation
Control Module References
Content Theft Deterrent
BCM2, CLUSTER, IGN SW, STOP LPS, AUDIO AMPLIFIER Fuses
BCM2, CLUSTER, IGN SW, STOP LPS, AUDIO AMPLIFIER Fuses
Rear Defogger Schematics
BCM2, CLUSTER, IGN SW, STOP LPS, AUDIO AMPLIFIER Fuses
DLC Power, Ground, and Low Speed GMLAN
High Speed GMLAN
Fuel Controls
Fuel Controls and Injectors
BCM2, CLUSTER, IGN SW, STOP LPS, AUDIO AMPLIFIER Fuses
G201