GM Service Manual Online
For 1990-2009 cars only
Makes
🢒
Chevrolet
🢒
2005
🢒
Cobalt
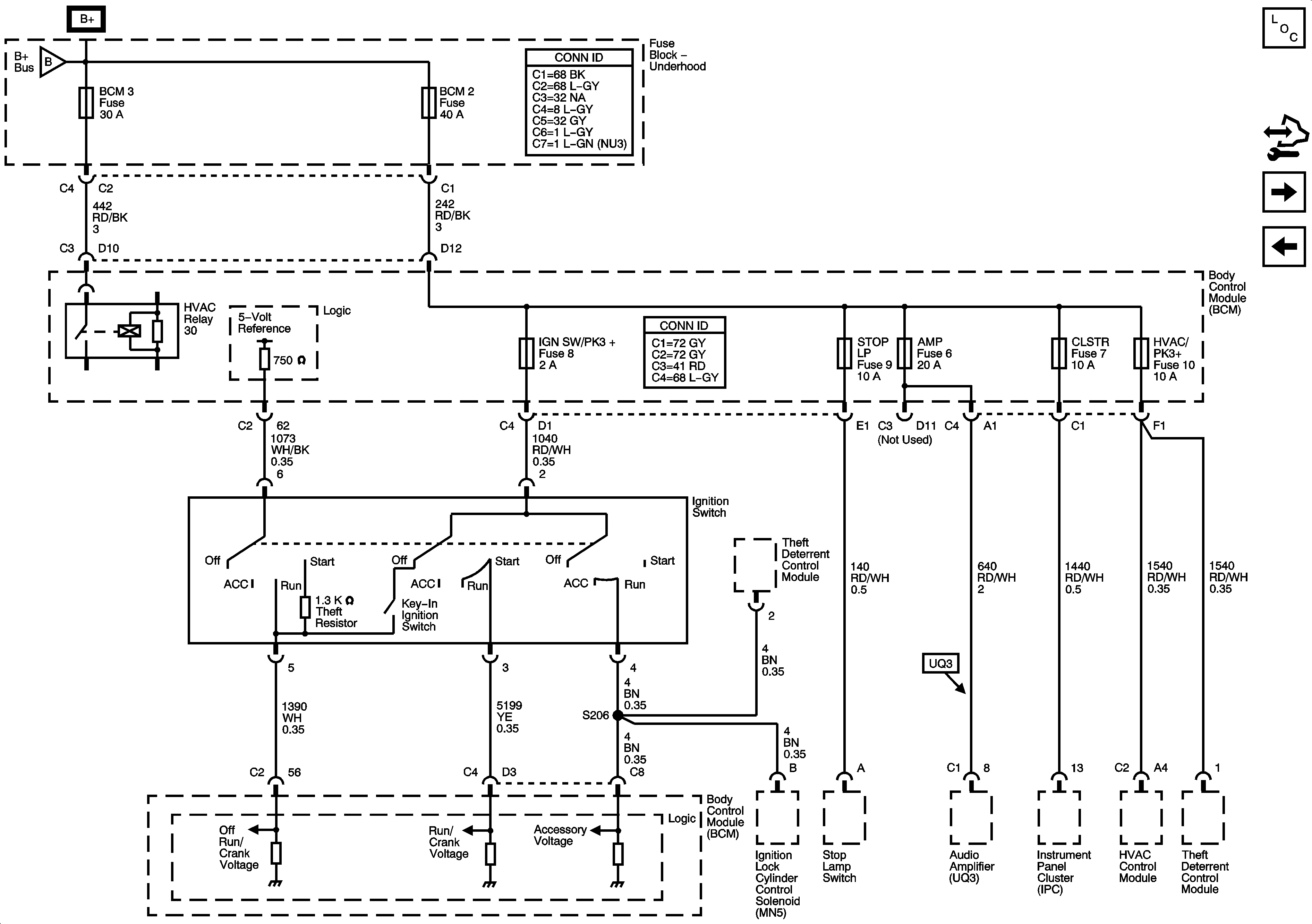
🢒 BCM2, CLUSTER, IGN SW, STOP LPS, AUDIO AMPLIFIER Fuses
BCM2, CLUSTER, IGN SW, STOP LPS, AUDIO AMPLIFIER Fuses
BCM2, CLUSTER, IGN SW, STOP LPS, AUDIO AMPLIFIER Fuses
Master Electrical Component List
Control Module References
RUN/CRANK, HVAC Relays, I/P, IGN, BCM3, WIPER, I/P IGN Fuses
RAP, DOOR LOCK, DOOR UNLOCK, INTERIOR LAMPS Relays, DOOR LOCK RADIO, PWR WINDOW, SUNROOF, INT LPS, ECM/TCM, SDM, CURRENT SENSOR Fuses
Underhood Fuse Block, B+ Bus