GM Service Manual Online
For 1990-2009 cars only
Makes
🢒
Chevrolet
🢒
2005
🢒
Cobalt
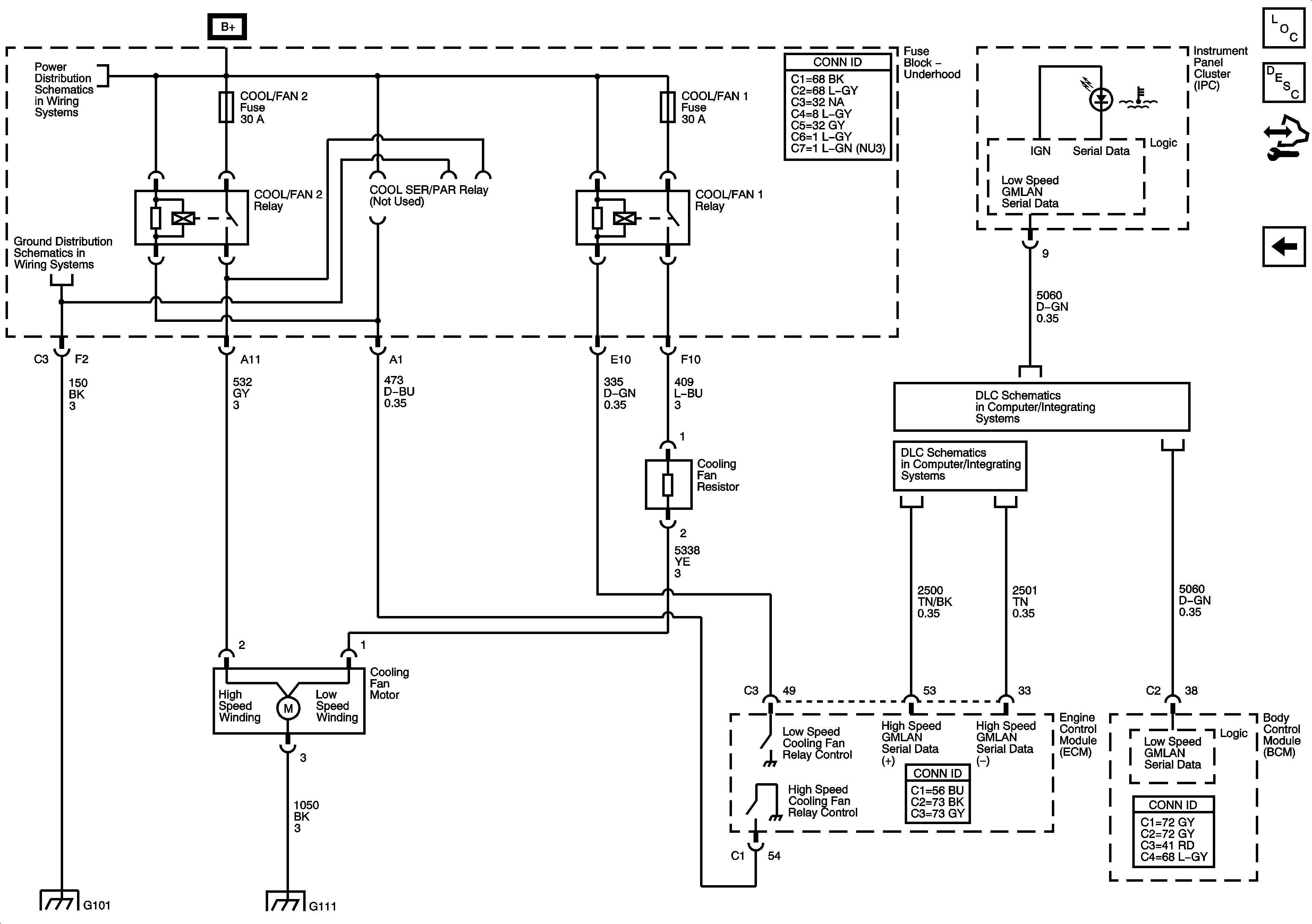
🢒 Cooling Fan and Indicators LE5
Cooling Fan and Indicators LE5
Cooling Fan and Indicators LE5
Master Electrical Component List
Cooling System Description and Operation
Control Module References
Cooling Fan and Indicators (LSJ)
Underhood Fuse Block, B+ Bus
G101, G102
DLC Power, Ground, and Low Speed GMLAN
High Speed GMLAN
G101, G102
G109, G203, G306