GM Service Manual Online
For 1990-2009 cars only
Makes
🢒
Chevrolet
🢒
2007
🢒
Cobalt
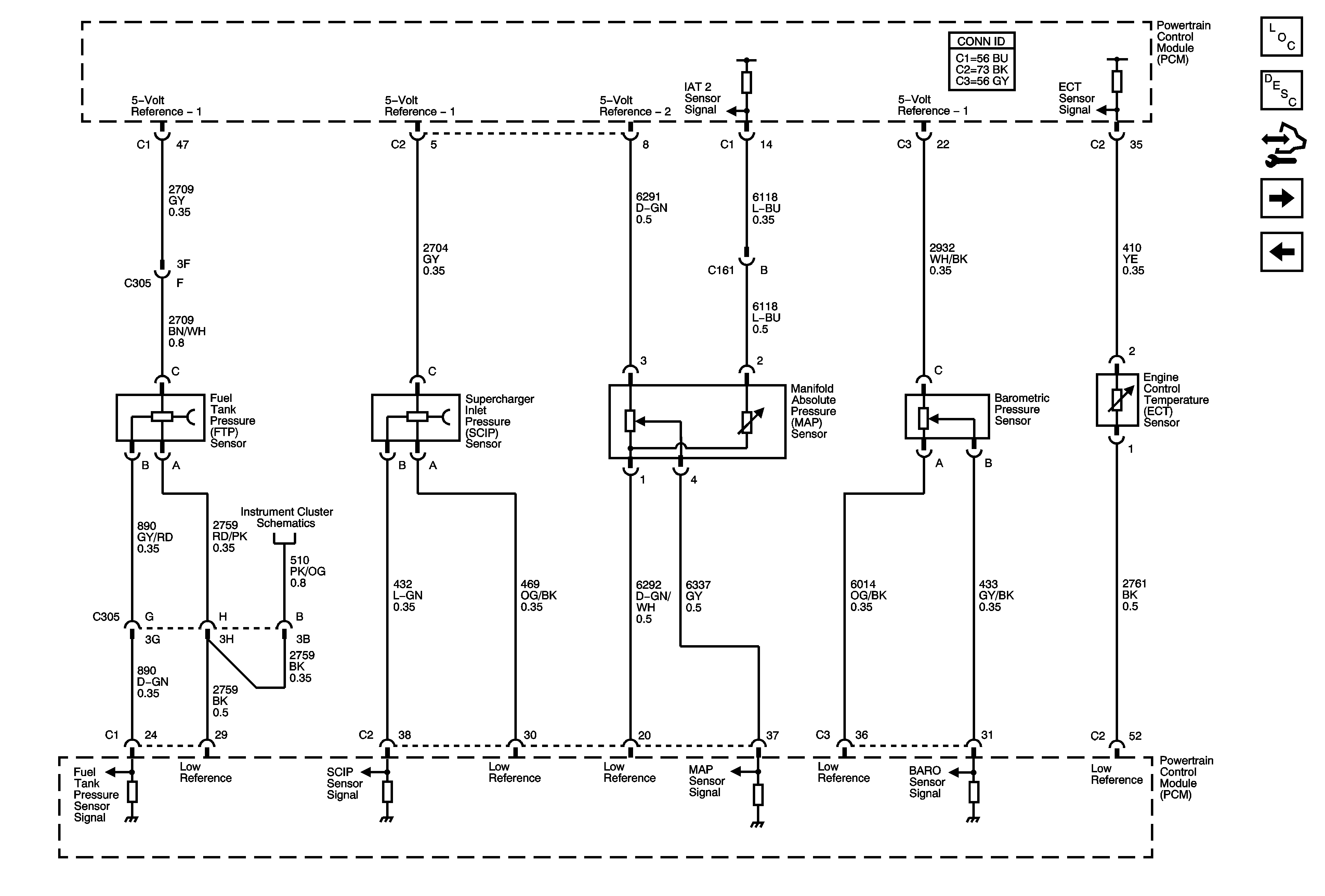
🢒 Engine Data Sensors - Pressure, Temperature
Engine Data Sensors - Pressure, Temperature
Engine Data Sensors - Pressure, Temperature
Master Electrical Component List
Powertrain Control Module Description
Control Module References
Engine Data Sensors - MAF/IAT, CKP, KS, CMP, VSS
5-Volt and Low Reference Bussing