GM Service Manual Online
For 1990-2009 cars only
Makes
🢒
Chevrolet
🢒
2007
🢒
Cobalt
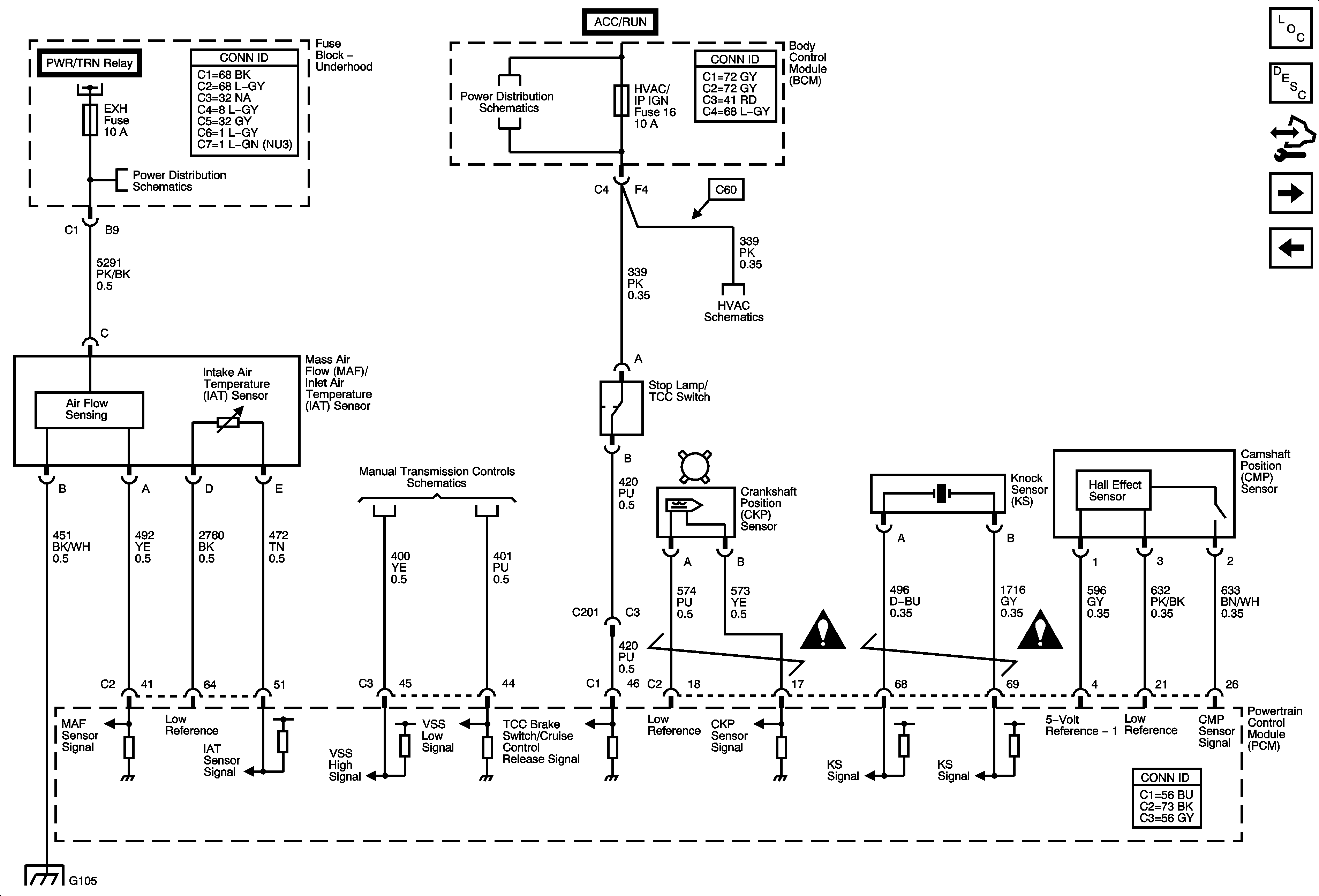
🢒 Engine Data Sensors - MAF/IAT, CKP, KS, CMP, VSS
Engine Data Sensors - MAF/IAT, CKP, KS, CMP, VSS
Engine Data Sensors - MAF/IAT, CKP, KS, CMP, VSS
Master Electrical Component List
Throttle Actuator Control (TAC) System Description
Control Module References
Engine Data Sensors - HO2S
Engine Data Sensors - Pressure, Temperature
Underhood Fuse Block Fuses- EMISN, FUEL PMP, INJ, PCM/ECM, and FUEL PMP Relay and PWR/TRN Relay
Underhood Fuse Block IP IGN Fuse, Body Control Module Fuses - AIRBAG, EPS/STR WHL CNTRL, HVAC/IP IGN, WPR
Power, Ground, Blower Motor
Manual Transmission Schematic
G103, G105, G107
Engine Controls Schematic Icons
Engine Controls Schematic Icons