GM Service Manual Online
For 1990-2009 cars only
Makes
🢒
Chevrolet
🢒
2007
🢒
Cobalt
🢒 Ignition Controls
Ignition Controls
Ignition Controls
Master Electrical Component List
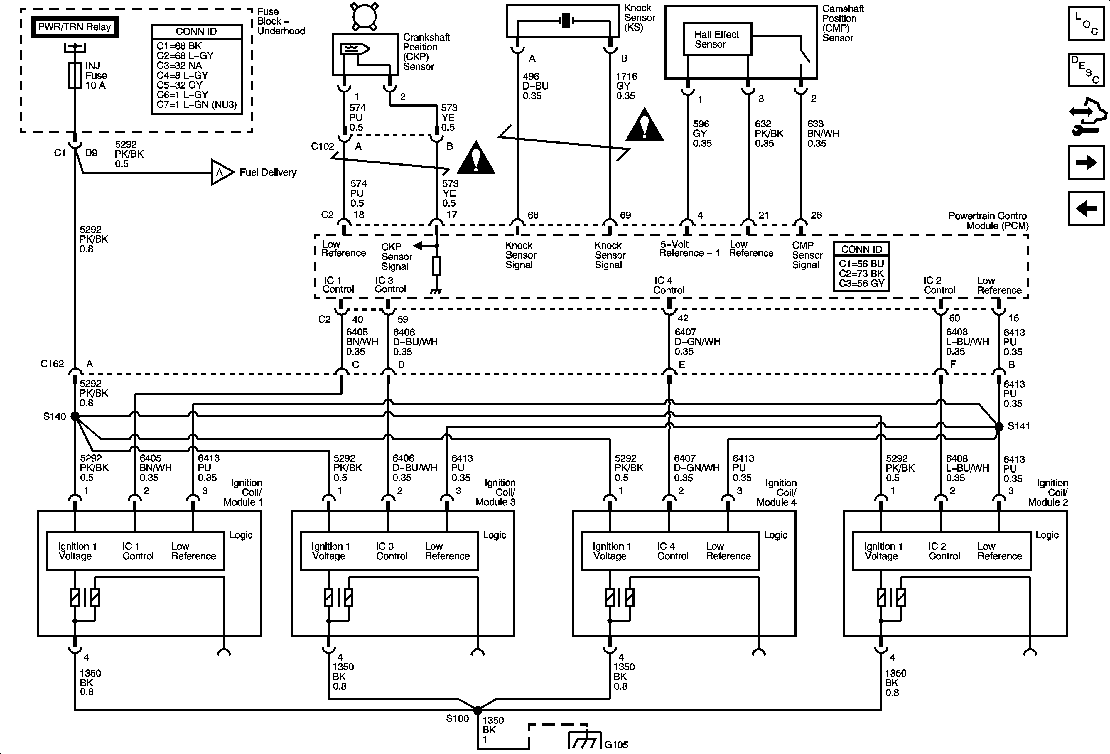
Electronic Ignition (EI) System Description
Control Module References
Fuel Delivery
Engine Data Sensors - APP, TAC
Fuel Delivery
G103, G105, G107
Engine Controls Schematic Icons
Engine Controls Schematic Icons