GM Service Manual Online
For 1990-2009 cars only
Makes
🢒
Chevrolet
🢒
2007
🢒
Cobalt
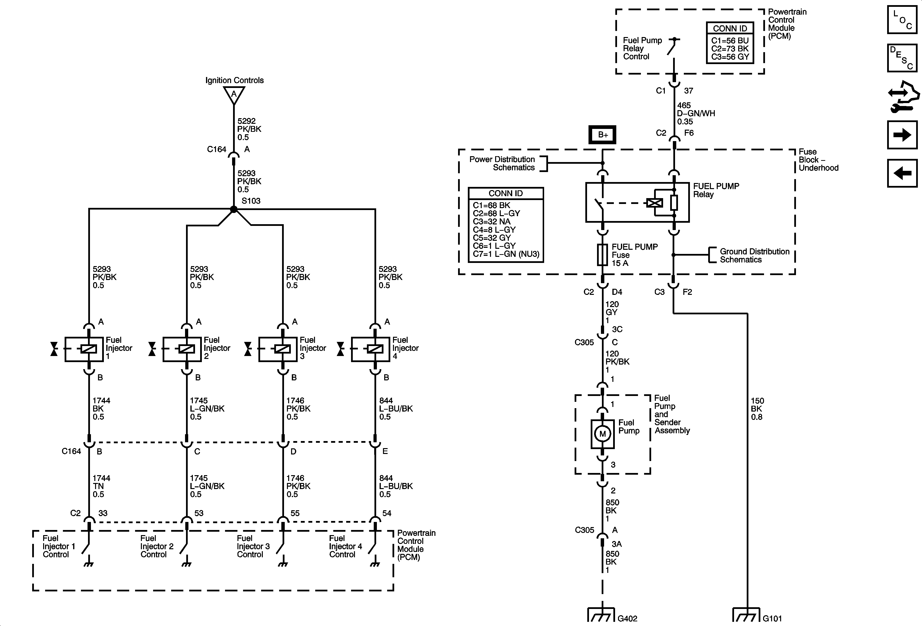
🢒 Fuel Delivery
Fuel Delivery
Fuel Delivery
Master Electrical Component List
Fuel System Description
Control Module References
Engine Data Sensors - EVAP, Aftercooler Pump, Supercharger Control
Ignition Controls
Ignition Controls
Underhood Fuse Block Fuses- EMISN, FUEL PMP, INJ, PCM/ECM, and FUEL PMP Relay and PWR/TRN Relay
G101, G102
G402, G403
G101, G102