GM Service Manual Online
For 1990-2009 cars only
Makes
🢒
Chevrolet
🢒
2007
🢒
Cobalt
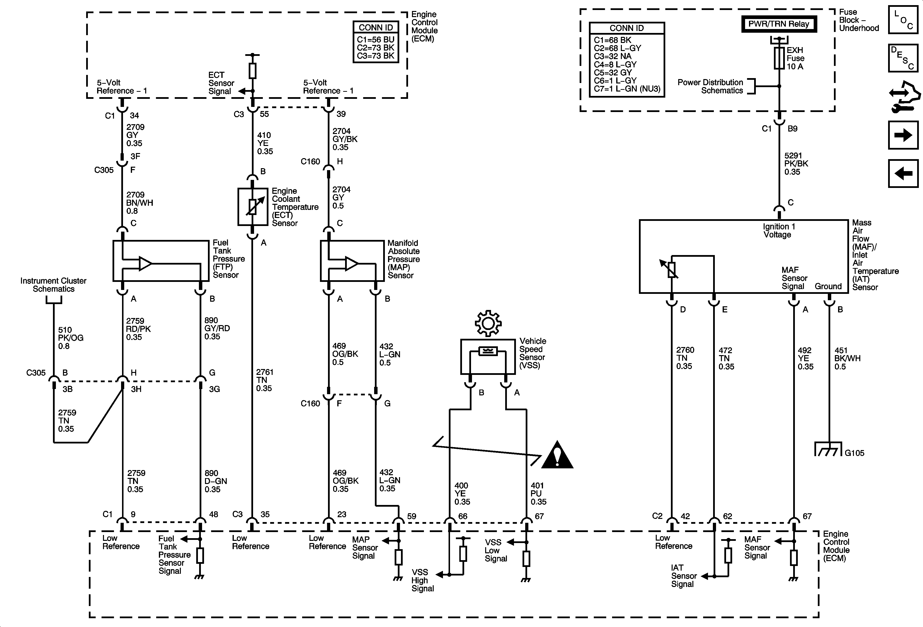
🢒 Engine Data Sensors - Pressure, Temperature, MAF, VSS
Engine Data Sensors - Pressure, Temperature, MAF, VSS
Engine Data Sensors - Pressure, Temperature, MAF, VSS
Master Electrical Component List
Air Intake System Description
Control Module References
Engine Data Sensors - HO2S
5-Volt and Low Reference Bussing
Sensors, Indicators
Underhood Fuse Block Fuses- EMISN, FUEL PMP, INJ, PCM/ECM, and FUEL PMP Relay and PWR/TRN Relay
G103, G105, G107
Engine Controls Schematic Icons