GM Service Manual Online
For 1990-2009 cars only
Makes
🢒
Chevrolet
🢒
2007
🢒
Cobalt
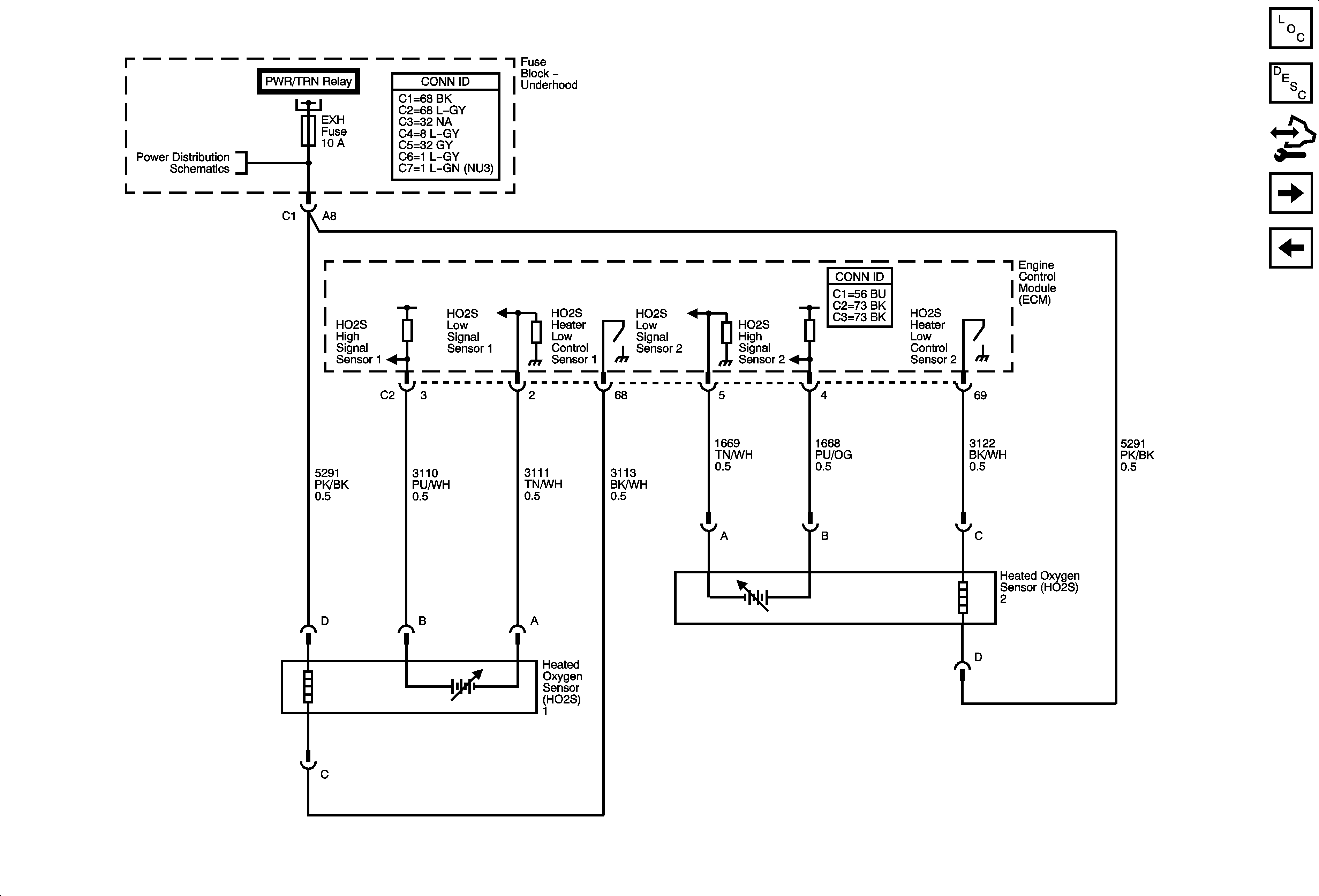
🢒 Engine Data Sensors - HO2S
Engine Data Sensors - HO2S
Engine Data Sensors - HO2S
Master Electrical Component List
Engine Control Module Description
Control Module References
Engine Data Sensors - Throttle Controls
Engine Data Sensors - Pressure, Temperature, MAF, VSS
Underhood Fuse Block Fuses- EMISN, FUEL PMP, INJ, PCM/ECM, and FUEL PMP Relay and PWR/TRN Relay