GM Service Manual Online
For 1990-2009 cars only
Makes
🢒
Chevrolet
🢒
2007
🢒
Cobalt
🢒 References (2 of 5)
References (2 of 5)
Controlled/Monitored Subsystem References (2 of 5)
Master Electrical Component List
Body Control System Description and Operation
Control Module References
References (3 of 5)
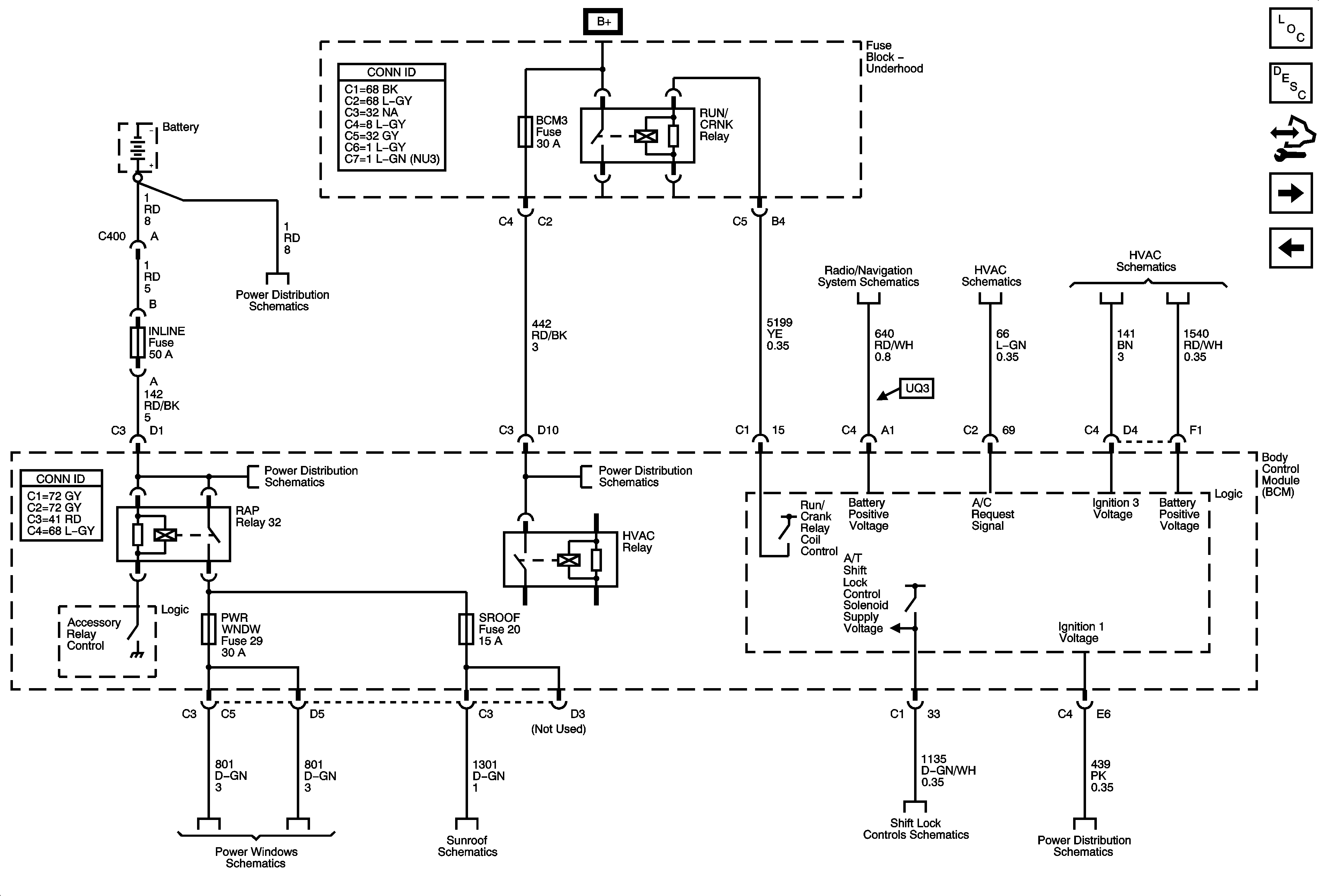
Power, Ground, Communication, References (1 of 5)
B+ Bussing, Underhood Fuse Block B+ Bus
Amplifier, Speakers
Compressor Controls
Power, Ground, Blower Motor
BCM Fuses - DR LCK, ECM/TCM, INT LIGHT, PWR WNDW, RDO, SDM, S ROOF
Body Control Module - AUDIO AMPLIFIER Fuse, BCM2 Fuse, CLUSTER Fuse, IGN SW Fuse, STOP LPS Fuse
Coupe
Sunroof Schematic
Shift Lock Control Schematic
Underhood Fuse Block IP IGN Fuse, Body Control Module Fuses - AIRBAG, EPS/STR WHL CNTRL, HVAC/IP IGN, WPR