GM Service Manual Online
For 1990-2009 cars only
Makes
🢒
Chevrolet
🢒
2004
🢒
Colorado Pickup - 2WD
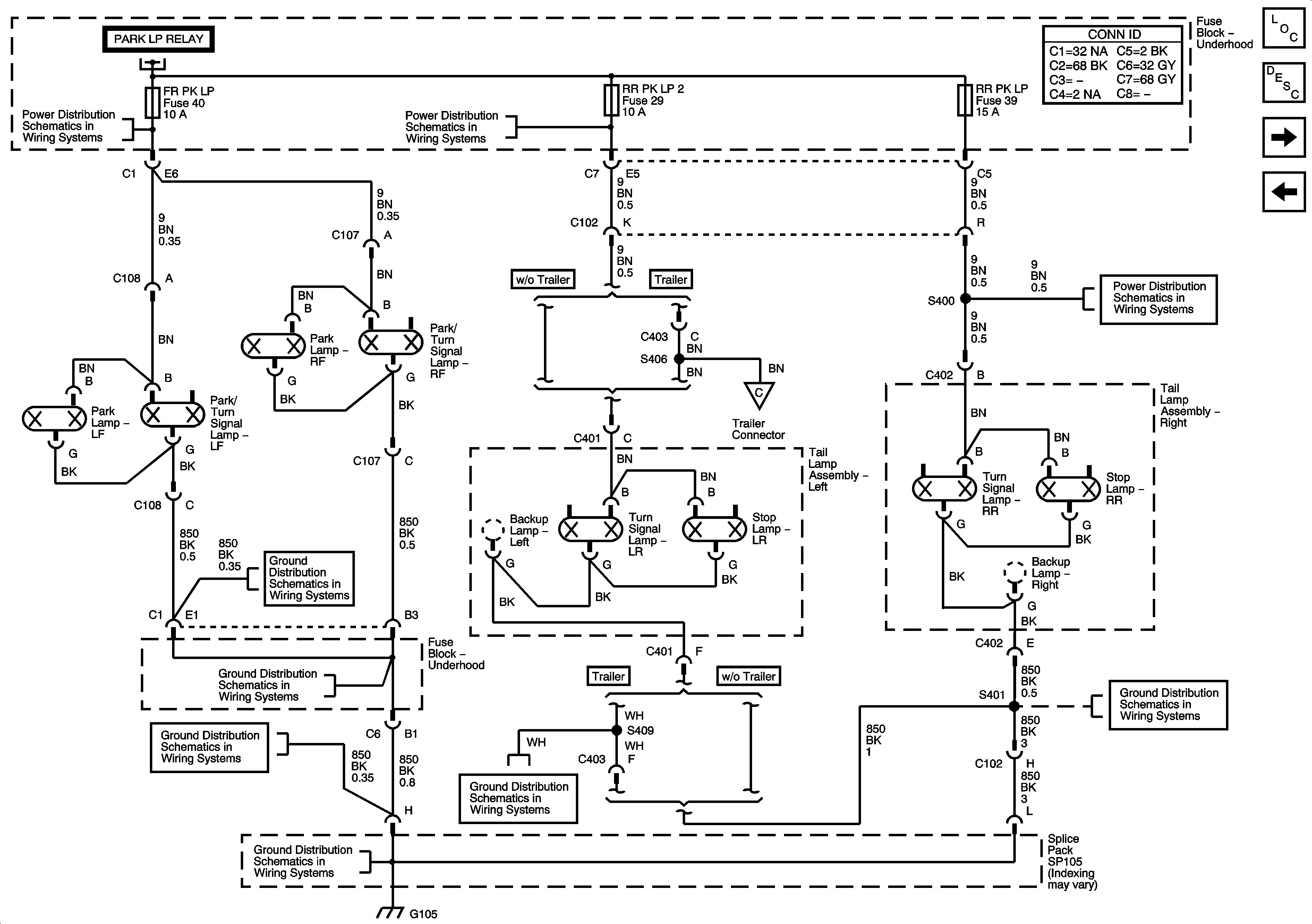
🢒 Park Lamps
Park Lamps
Park Lamps
Master Electrical Component List
Exterior Lighting Systems Description and Operation
Stop Lamps, and License Lamps
Turn Signal Lamps
Park Lamp Control, Turn Signal Inputs, and Hazard Switch
FRT PARK LAMP, REAR PARK LAMP #1, and REAR PARK LAMP #2 Fuses
FRT PARK LAMP, REAR PARK LAMP #1, and REAR PARK LAMP #2 Fuses
Turn Signal Lamps
Turn Signal Lamps
Turn Signal Lamps
Turn Signal Lamps
FRT PARK LAMP, REAR PARK LAMP #1, and REAR PARK LAMP #2 Fuses
Stop Lamps, and License Lamps
Stop Lamps, and License Lamps
Splice Pack SP105 and G105 - 1 of 2
Splice Pack SP105 and G105 - 1 of 2
Splice Pack SP105 and G105 - 1 of 2
Splice Pack SP105 and G105 - 1 of 2
Splice Pack SP105 and G105 - 1 of 2