GM Service Manual Online
For 1990-2009 cars only
Makes
🢒
Chevrolet
🢒
2004
🢒
Colorado Pickup - 2WD
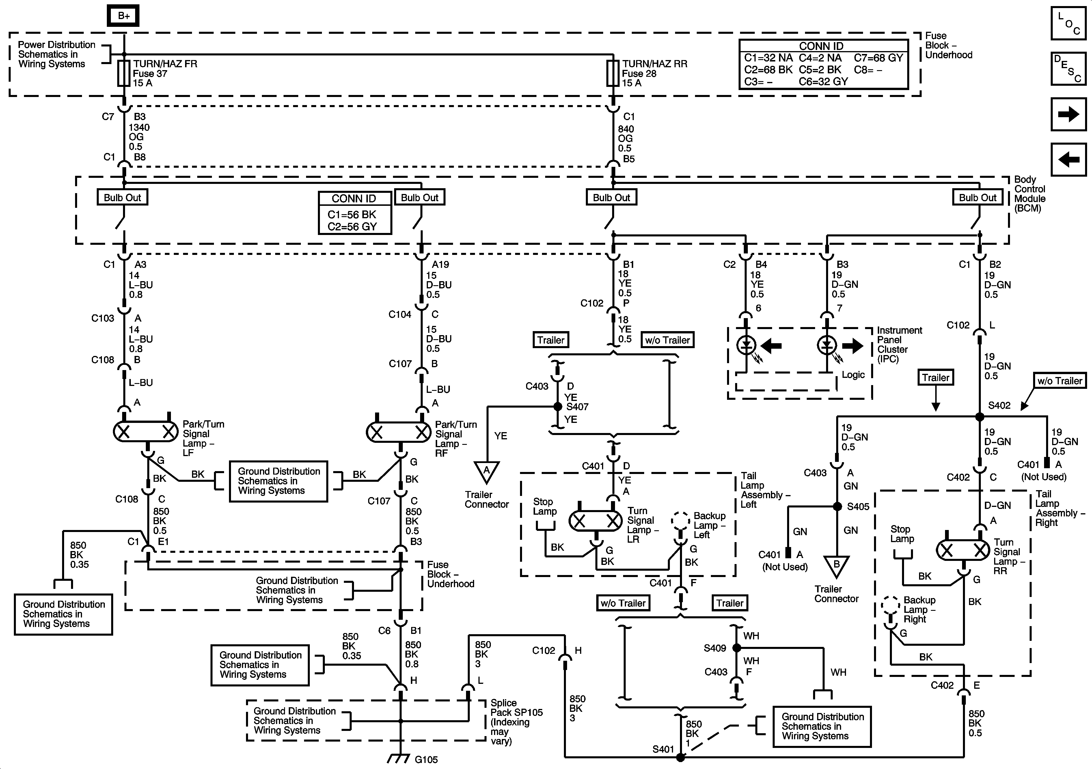
🢒 Turn Signal Lamps
Turn Signal Lamps
Turn Signal Lamps
Master Electrical Component List
Exterior Lighting Systems Description and Operation
Park Lamps
Park Lamp Control, Turn Signal Inputs, and Hazard Switch
B+ Bus - Underhood Fuse Block
Park Lamps
Park Lamps
Park Lamps
Park Lamps
Splice Pack SP105 and G105 - 1 of 2
Splice Pack SP105 and G105 - 1 of 2
Splice Pack SP105 and G105 - 1 of 2
Splice Pack SP105 and G105 - 1 of 2
Splice Pack SP105 and G105 - 1 of 2