GM Service Manual Online
For 1990-2009 cars only
Makes
🢒
Chevrolet
🢒
2004
🢒
Colorado Pickup - 2WD
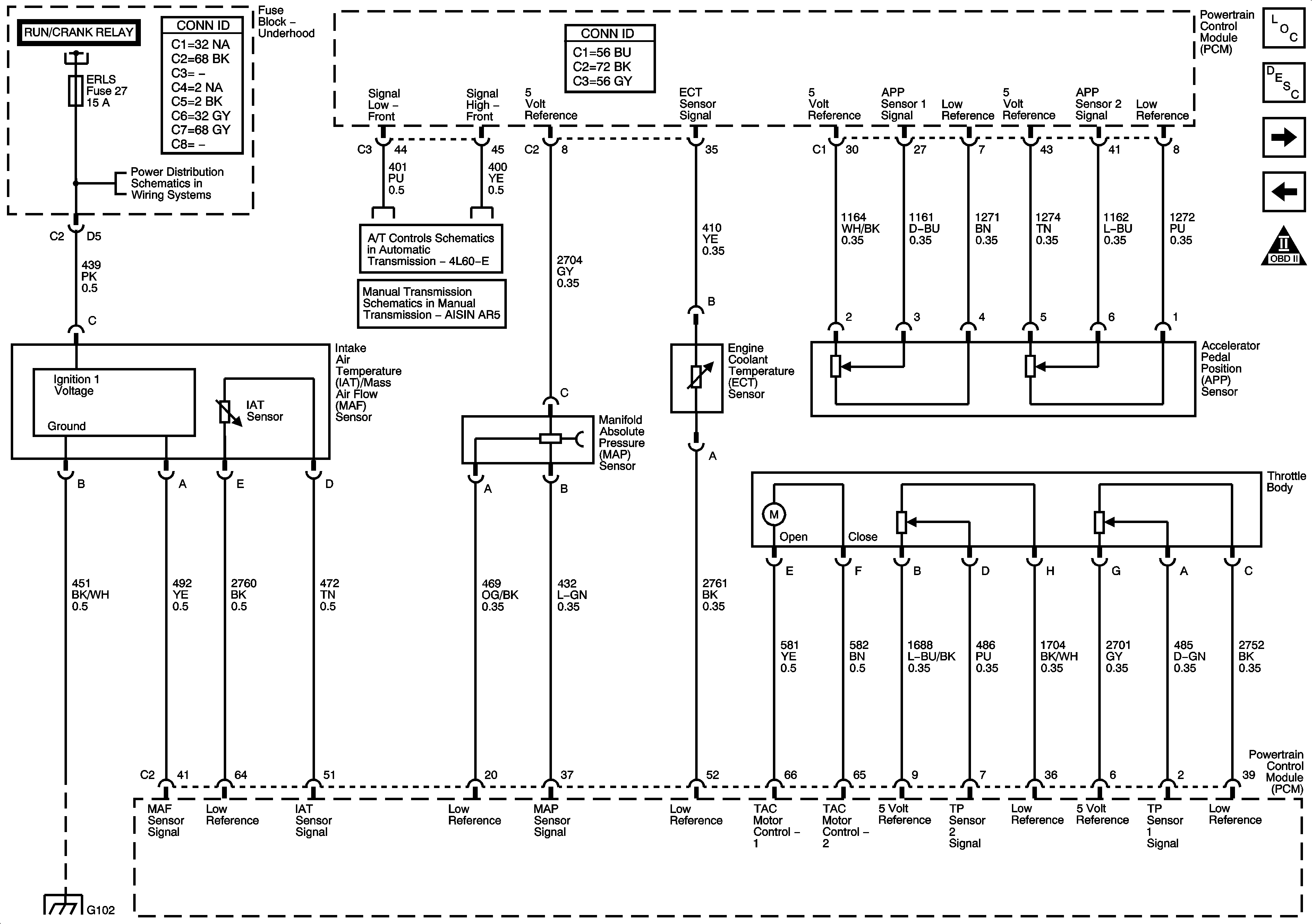
🢒 Engine Data Sensors
Engine Data Sensors
Engine Data Sensors
Master Electrical Component List
Powertrain Control Module Description
Oxygen Sensors
5 Volt Reference
OBD II Symbol Description Notice
Power, Ground, MIL, and DLC
04 GMT355 Power Distribution Schematics - ERLS, FRT AXLE, PCM - I, and INJECTORS Fuses
TCC Brake/Cruise Release Switch and Vehicle Speed Sensor
04 GMT355 Manual Transmission Schematics
G100, G104, G102, G103, and G101