GM Service Manual Online
For 1990-2009 cars only
Makes
🢒
Chevrolet
🢒
2004
🢒
Colorado Pickup - 2WD
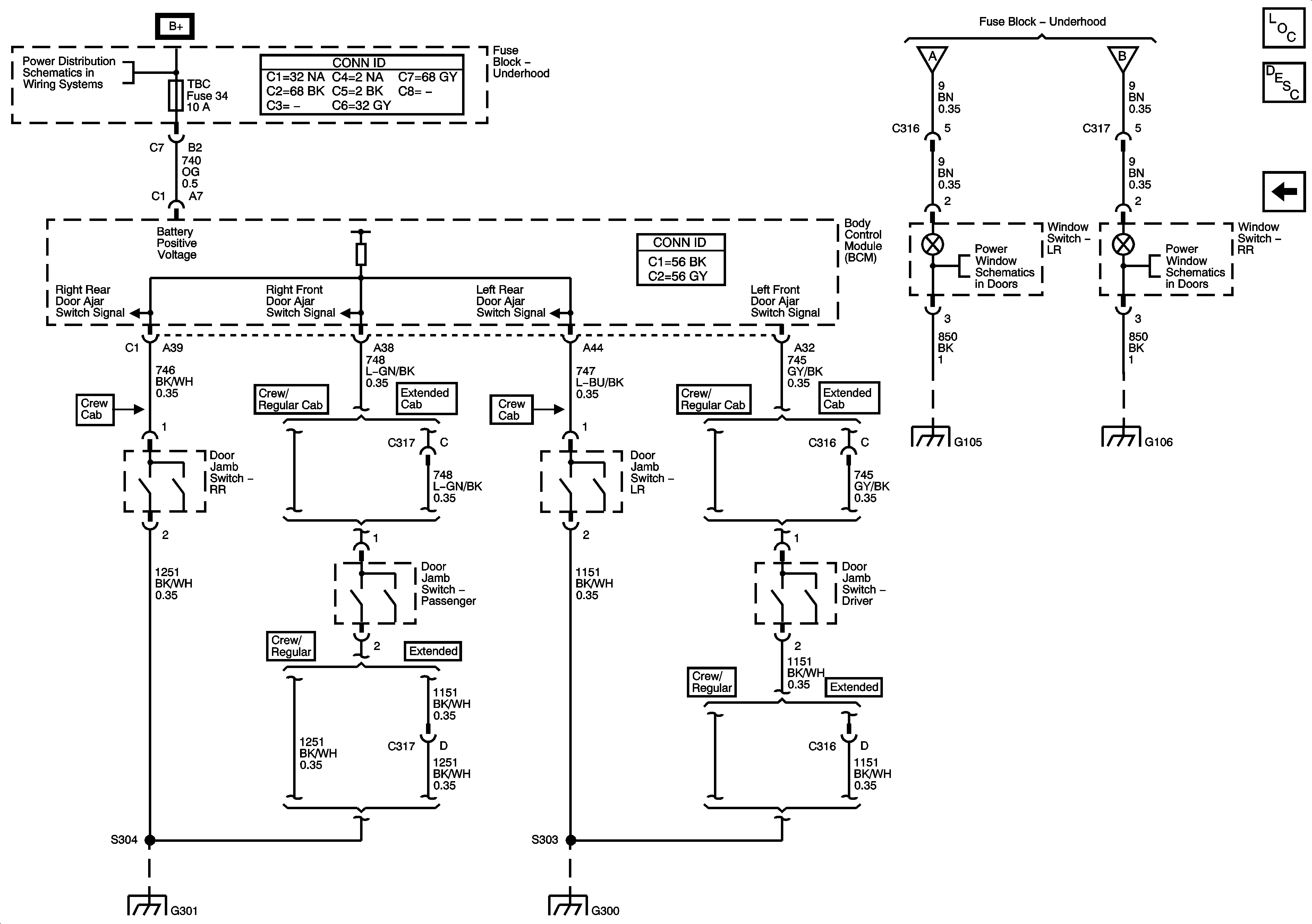
🢒 Door Jamb Switches
Door Jamb Switches
Door Jamb Switches
Master Electrical Component List
Exterior Lighting Systems Description and Operation
Door Lock and Window Switches, and Outside Rearview Mirror Switch
B+ Bus - Underhood Fuse Block
Door Lock and Window Switches, and Outside Rearview Mirror Switch
Rear Doors - Crew Cab
Splice Pack SP105 and G105 - 1 of 2
Rear Doors - Crew Cab
Splice Pack SP106 and G106 - 1 of 2
G300, G301, and G302
G300, G301, and G302