GM Service Manual Online
For 1990-2009 cars only
Makes
🢒
Chevrolet
🢒
2005
🢒
Colorado Pickup - 2WD
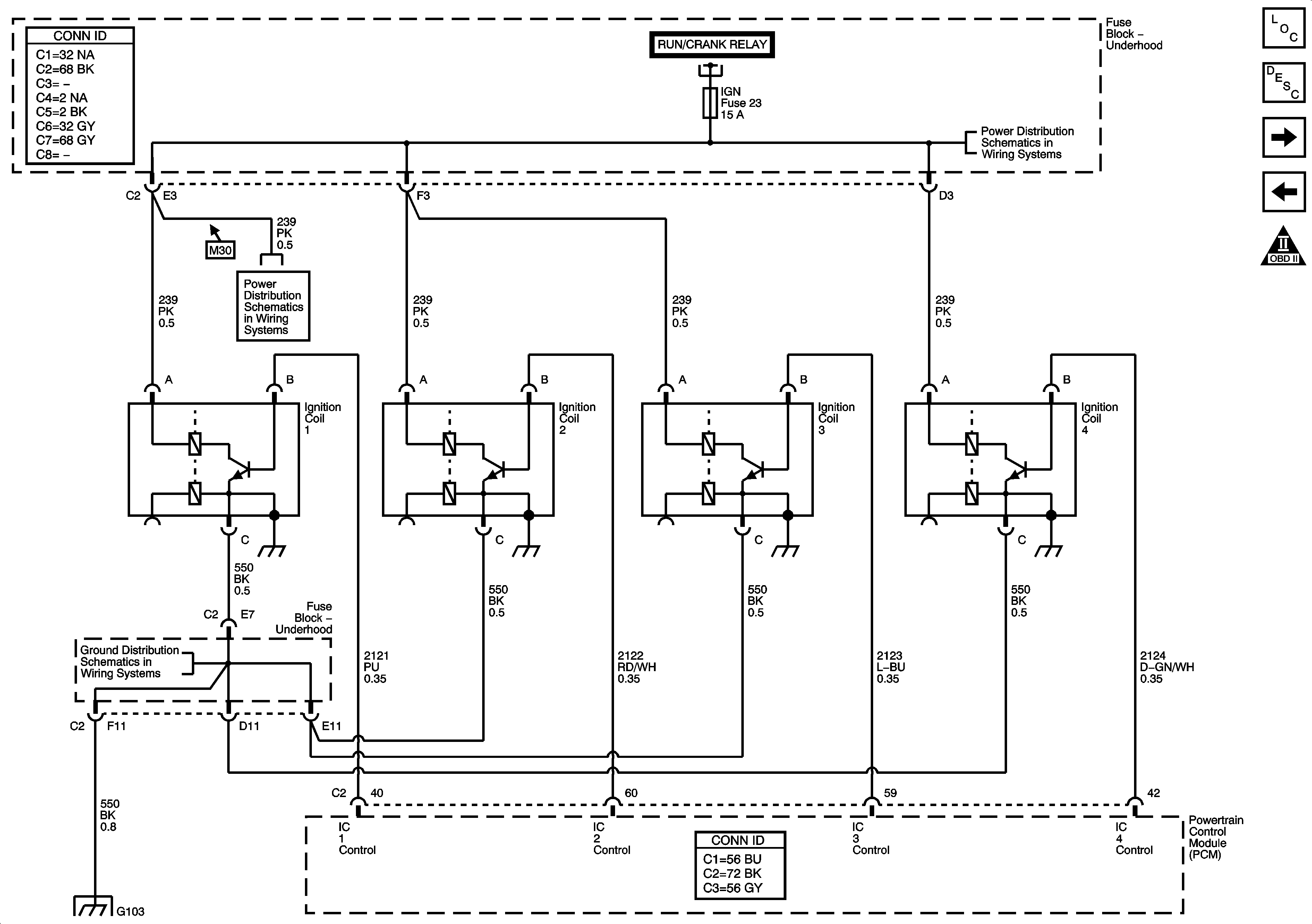
🢒 Ignition Controls
Ignition Controls
Ignition Controls
Master Electrical Component List
Powertrain Control Module Description
Fuel Controls
Knock, CMP, CKP Sensors, and EGR
OBD II Symbol Description Notice
Power, Ground, MIL, and DLC
SPARE, IGN, and A/C COMP Fuses
SPARE, IGN, and A/C COMP Fuses
G100, G104, G102, G103, and G101
G100, G104, G102, G103, and G101