GM Service Manual Online
For 1990-2009 cars only
Makes
🢒
Chevrolet
🢒
2005
🢒
Colorado Pickup - 2WD
🢒 Fuel Controls
Fuel Controls
Fuel Controls
Master Electrical Component List
Powertrain Control Module Description
Fuel Injection Controls
Ignition Controls
OBD II Symbol Description Notice
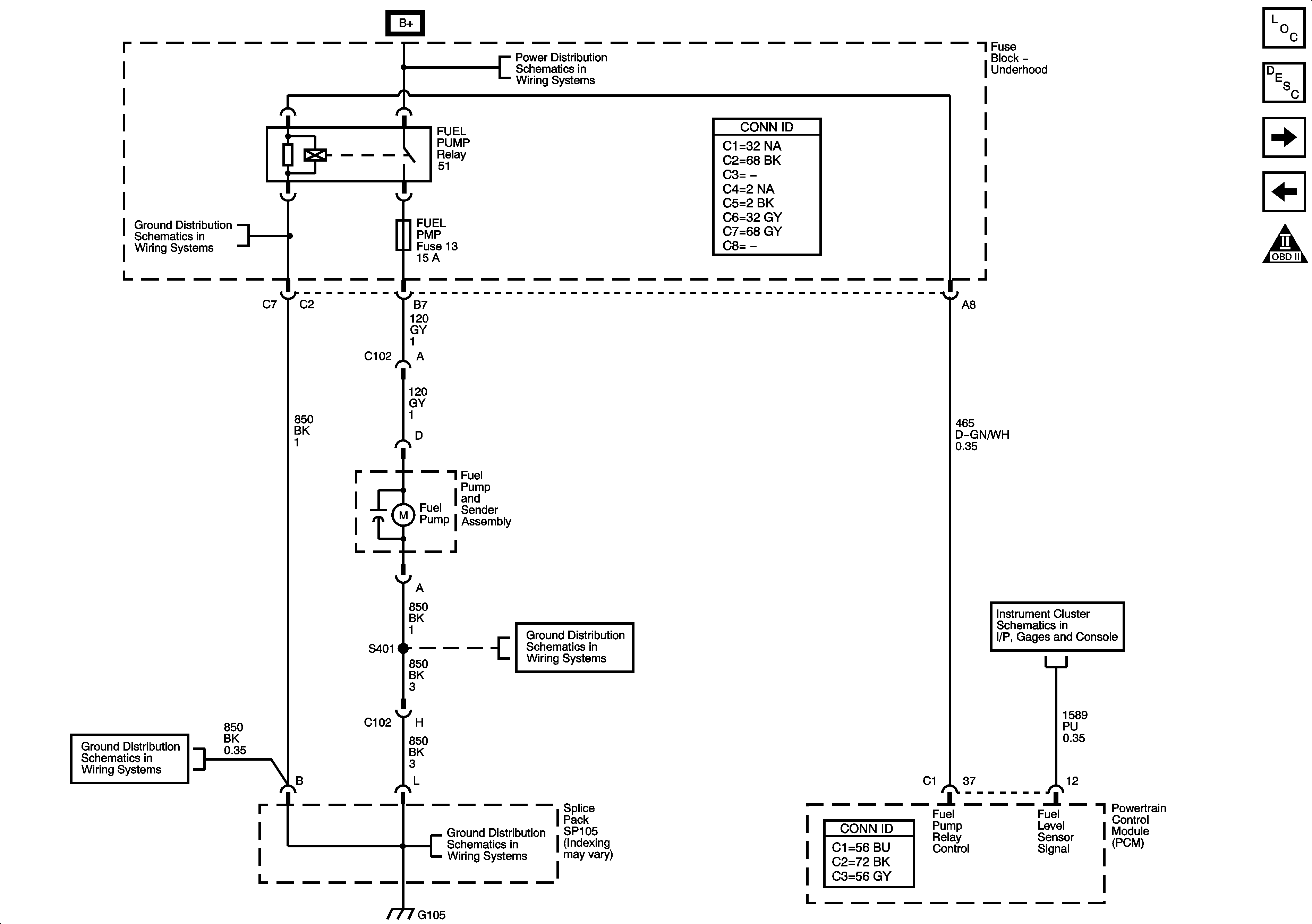
B+ Bus - Underhood Fuse Block
Splice Pack SP105 and G105 - 1 of 2
Splice Pack SP105 and G105 - 1 of 2
Splice Pack SP105 and G105 - 2 of 2
Splice Pack SP105 and G105 - 1 of 2
Gages