GM Service Manual Online
For 1990-2009 cars only
Makes
🢒
Chevrolet
🢒
2005
🢒
Colorado Pickup - 2WD
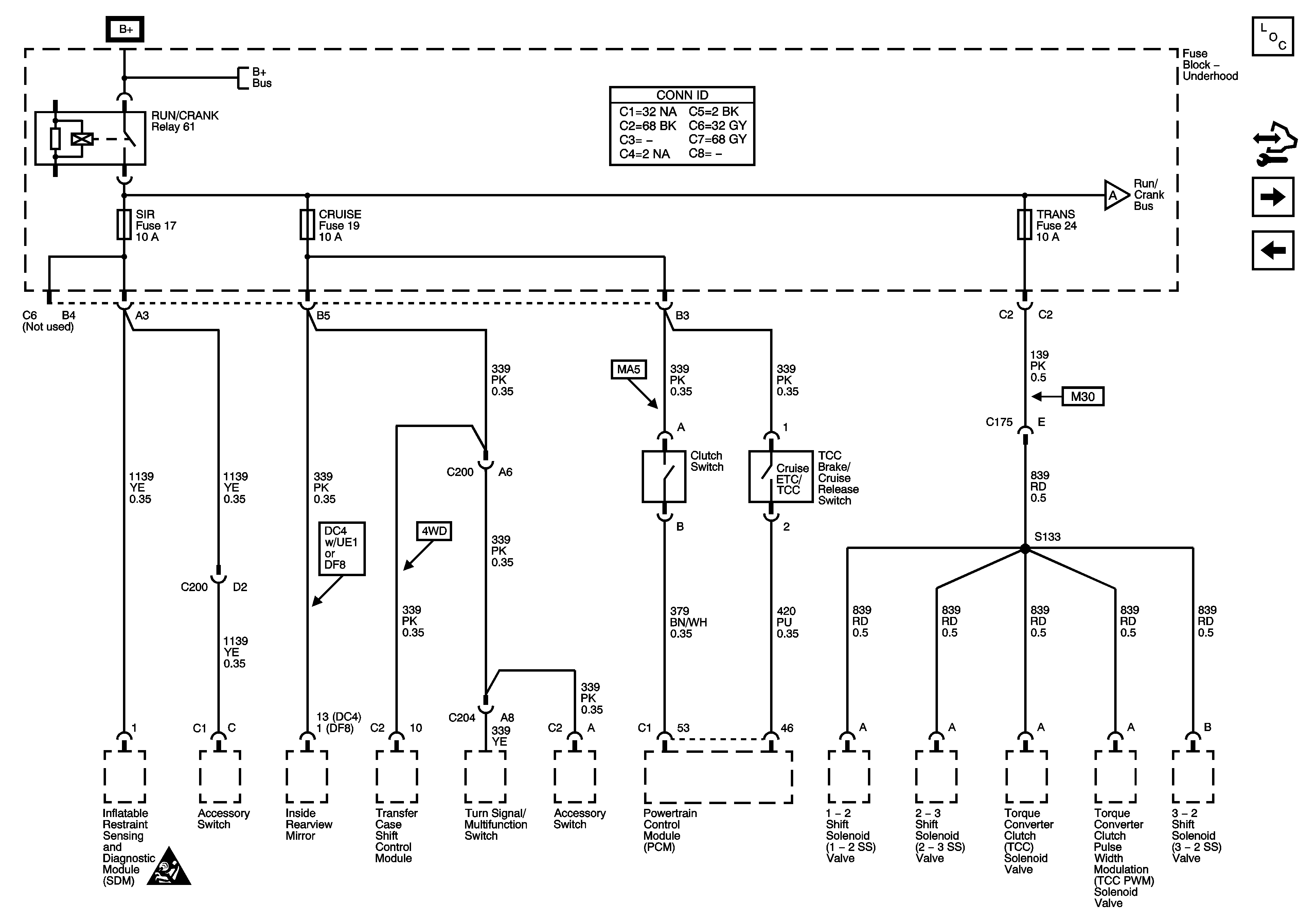
🢒 RUN/CRANK Relay Bus - 1 of 3, CRUISE, SIR, and TRANS Fuses
RUN/CRANK Relay Bus - 1 of 3, CRUISE, SIR, and TRANS Fuses
RUN/CRANK Relay Bus - 1 of 3, CRUISE, SIR, and TRANS Fuses
Master Electrical Component List
RUN/CRANK Relay Bus - 2 of 3, ABS, BACKUP, and IGN Fuses
Ignition Switch and IGN TRANS D Fuse
B+ Bus - Underhood Fuse Block
RUN/CRANK Relay Bus - 2 of 3, ABS, BACKUP, and IGN Fuses
SIR Caution for Zoning